44330000-2 Будівельні прути, стрижні, дроти та профілі
Назва профілю: Швелер 12П 3ПС/СП, міра 12м Опис профілю: Швелер 12П 3ПС/СП, міра 12м
Одиниці виміру: тонна
Пов’язана категорія: Швелер, одиниця виміру тонна
Дата створення профілю: 03-11-2025, 16:25
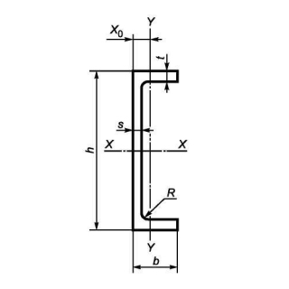
Технічні характеристики
Марка сталі
3ПС/СП
Відповідність вимогам стандарту
ДСТУ 3436 / ДСТУ 4484
Ширина полки (b), міліметр
52
Довжина
мірна 12м
Товщина полки (t), міліметр
7.8
Товщина стінки (s), міліметр
4.8
Вид
П-подібний з паралельними гранями
Висота (h), міліметр
120
