44330000-2 Будівельні прути, стрижні, дроти та профілі
Назва профілю: Швелер 6,5У / UPN 65, сталь 3ПС/СП / S235 (JR, J0, J2), ДСТУ 3436/DIN 1026, міра 12м Опис профілю: Швелер 6,5У / UPN 65, сталь 3ПС/СП / S235 (JR, J0, J2), ДСТУ 3436/DIN 1026, міра 12м
Одиниці виміру: тонна
Пов’язана категорія: Швелер, одиниця виміру тонна
Дата створення профілю: 02-12-2025, 10:45
Технічні характеристики
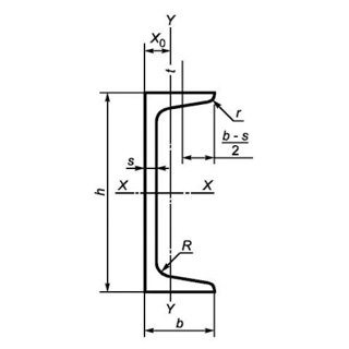
Ширина полки (b), міліметр
від - 36 по - 42
Марка сталі
3ПС/СП
S235
Товщина полки (t), міліметр
від - 7.2 по - 7.5
Відповідність вимогам стандарту
DIN 1026
ДСТУ 3436
Вид
У-подібний з ухилом граней
UPN з ухилом граней
Висота (h), міліметр
65
Товщина стінки (s), міліметр
від - 4.4 по - 5.5
Довжина
мірна 12м

Швелер 6.5У 3ПС/СП, міра 12м
