Назва профілю: Швелер UPE 120, сталь S275J2 / S275J2+AR / S275J2+M / S275J2+N, ДСТУ EN 10365 (DIN 1026) / ДСТУ EN 10025, міра 6м
Відноситься до відбору: Будівельні прути, стрижні, дроти та профілі
Опис профілю: Швелер UPE 120, сталь S275J2 / S275J2+AR / S275J2+M / S275J2+N, ДСТУ EN 10365 (DIN 1026) / ДСТУ EN 10025, міра 6м
Одиниці виміру: тонна
Пов’язана категорія: Швелер, одиниця виміру тонна
Дата створення профілю: 03-03-2026, 22:11
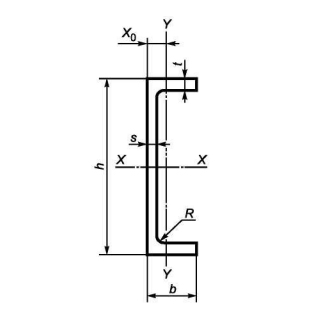
Технічні характеристики
Висота (h), міліметр
120
Товщина полки (t), міліметр
8
Марка сталі
S275J2+N
S275J2
S275J2+M
S275J2+AR
Ширина полки (b), міліметр
60
Вид
UPE з паралельними гранями
Відповідність вимогам стандарту
ДСТУ EN 10365 (DIN 1026) / ДСТУ EN 10025
Довжина
мірна 6м
Товщина стінки (s), міліметр
5

Швелер UPE 120 S275J2, міра 6м

Швелер UPE 120 S275J2+M, міра 6м

Швелер UPE 120 S275J2+AR, міра 6м
