44330000-2 Будівельні прути, стрижні, дроти та профілі
Назва профілю: Швелер 12П / UPE 120, сталь 3ПС/СП / S235 (JR, J0, J2) / S275 (JR, J0, J2), ДСТУ 3436/DIN 1026, міра 12м Опис профілю: Швелер 12П / UPE 120, сталь 3ПС/СП / S235 (JR, J0, J2) / S275 (JR, J0, J2), ДСТУ 3436/DIN 1026, міра 12м
Одиниці виміру: тонна
Пов’язана категорія: Швелер, одиниця виміру тонна
Дата створення профілю: 25-12-2025, 12:31
Технічні характеристики
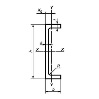
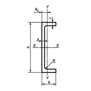
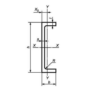
Товщина стінки (s), міліметр
від - 4.8 по - 5
Відповідність вимогам стандарту
ДСТУ 3436
DIN 1026
Ширина полки (b), міліметр
від - 52 по - 60
Вид
UPE з паралельними гранями
П-подібний з паралельними гранями
Висота (h), міліметр
120
Марка сталі
S235
3ПС/СП
S275
Товщина полки (t), міліметр
від - 7.8 по - 8
Довжина
мірна 12м

Швелер 12П 3ПС/СП, міра 12м

Швелер UPE 120 S275, міра 12м
