44330000-2 Будівельні прути, стрижні, дроти та профілі
Назва профілю: Швелер 22П / UPE 220, сталь 3ПС/СП / S235 (JR, J0, J2) / S275 (JR, J0, J2), ДСТУ 3436/DIN 1026, міра 12м Опис профілю: Швелер 22П / UPE 220, сталь 3ПС/СП / S235 (JR, J0, J2) / S275 (JR, J0, J2), ДСТУ 3436/DIN 1026, міра 12м
Одиниці виміру: тонна
Пов’язана категорія: Швелер, одиниця виміру тонна
Дата створення профілю: 06-01-2026, 23:04
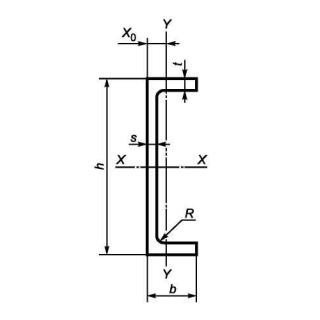
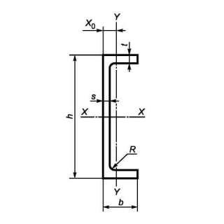
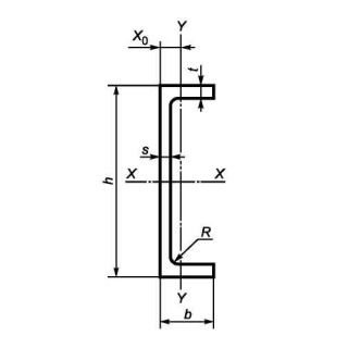
Технічні характеристики
Товщина стінки (s), міліметр
від - 5.4 по - 6.5
Довжина
мірна 12м
Вид
П-подібний з паралельними гранями
UPE з паралельними гранями
Товщина полки (t), міліметр
від - 9.5 по - 12
Ширина полки (b), міліметр
від - 82 по - 85
Відповідність вимогам стандарту
ДСТУ 3436
DIN 1026
Висота (h), міліметр
220
Марка сталі
S235
S275
3ПС/СП

Швелер UPE 220 S235, міра 12м

Швелер UPE 220 S275, міра 12м
