44330000-2 Будівельні прути, стрижні, дроти та профілі
Назва категорії: Швелер, одиниця виміру тоннаВідноситься до відбору: Будівельні прути, стрижні, дроти та профілі
Опис категорії: Швелер, одиниця виміру тонна
Одиниці виміру: тонна
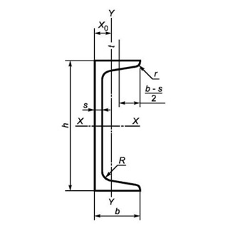
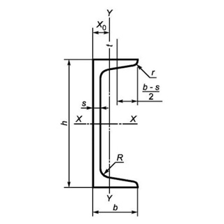
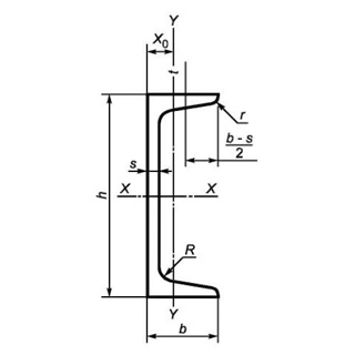
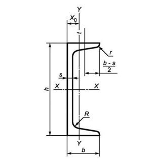
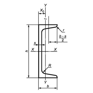
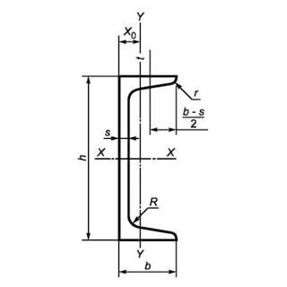
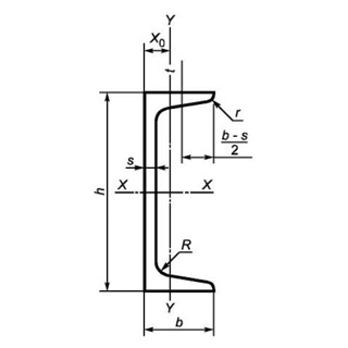
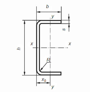
Технічні характеристики
Категорія нормованих показників
Група якості оброблення поверхні
Покриття
Відповідність вимогам стандарту
Вид
Марка сталі
Довжина
Група/клас міцності
Знайдено: 1666

Швелер UPE 300 S355J2+M, міра 6м

Швелер UPN 220 S355J2+N, міра 12м

Швелер UPN 120 S235J2, міра 12м

Швелер гнутий 100х40х3 3ПС/СП, міра 6м

Швелер UPN 280 S275J0, міра 6м

Швелер UPN 160 S235, міра 6м

Швелер UPN 100 S235JR, міра 6м

Швелер UPN 280 S235, міра 6м

Швелер UPN 280 S355, міра 12м

Швелер UPN 280 S275J2+N, міра 6м

Швелер UPN 160 S355JR, міра 12м
