44330000-2 Будівельні прути, стрижні, дроти та профілі
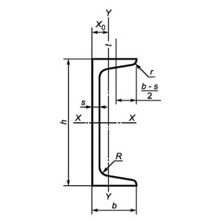
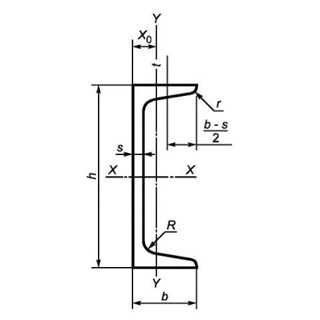
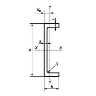
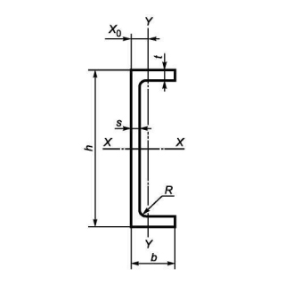
Назва категорії: Швелер, одиниця виміру тоннаВідноситься до відбору: Будівельні прути, стрижні, дроти та профілі
Опис категорії: Швелер, одиниця виміру тонна
Одиниці виміру: тонна
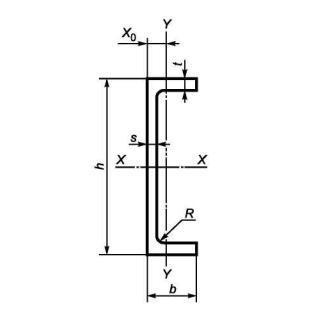
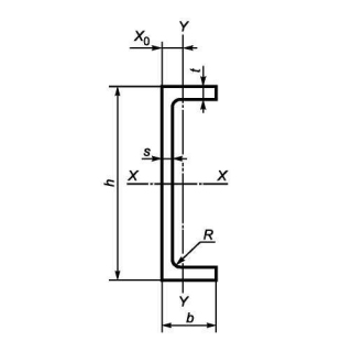
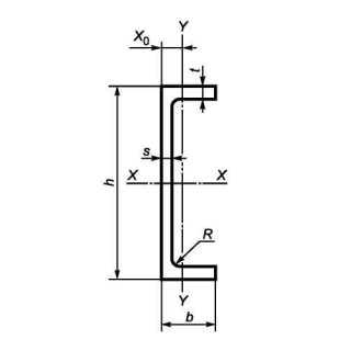
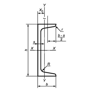
Технічні характеристики
Категорія нормованих показників
Група якості оброблення поверхні
Покриття
Відповідність вимогам стандарту
Вид
Марка сталі
Довжина
Група/клас міцності
Знайдено: 1666

Швелер UPN 50 S275J2, міра 12м

Швелер UPE 120 S355JR, міра 12м

Швелер UPE 270 S275J0, міра 12м

Швелер 6.5П сталь 3ПС/СП, міра 12м

Швелер UPE 270 S355J0, міра 12м

Швелер UPN 240 S355J0, міра 6м

Швелер UPN 80 S235J2, міра 6м

Швелер 6.5У сталь 345 09Г2С 14 міра 12м

Швелер UPN 50 S275J2, міра 6м

Швелер UPE 330 S275J2+N, міра 6м

Швелер UPE 100 S275J2+M, міра 6м
