44330000-2 Будівельні прути, стрижні, дроти та профілі
Назва категорії: Швелер, одиниця виміру тоннаВідноситься до відбору: Будівельні прути, стрижні, дроти та профілі
Опис категорії: Швелер, одиниця виміру тонна
Одиниці виміру: тонна
Технічні характеристики
Категорія нормованих показників
Група якості оброблення поверхні
Покриття
Відповідність вимогам стандарту
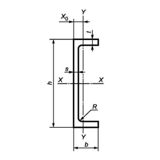
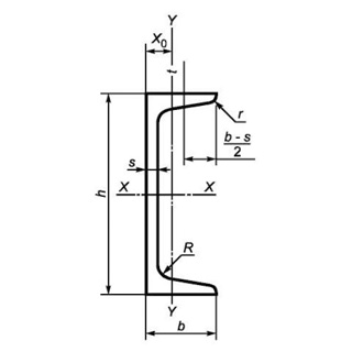
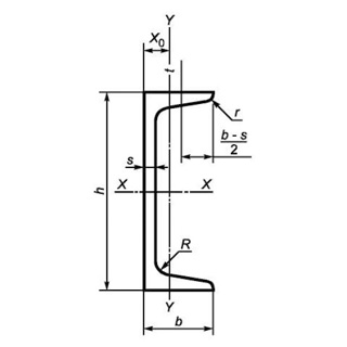
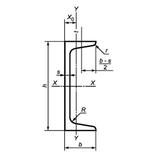
Вид
Марка сталі
Довжина
Група/клас міцності
Знайдено: 1666

Швелер UPE 140 S235J0, міра 12м

Швелер UPN 320 S275, міра 6м

Швелер UPN 220 S275J2+M, міра 6м

Швелер UPN 65 S355J2+N, міра 6м

Швелер UPE 270 S235J2+AR, міра 6м

Швелер UPN 200 S275J2+M, міра 6м

Швелер 22У 3ПС/СП, міра 12м

Швелер UPE 180 S275, міра 12м

Швелер UPN 320 S355J0, міра 12м

Швелер UPE 360 S235J2, міра 6м

Швелер UPN 200 S355J2, міра 12м
