44330000-2 Будівельні прути, стрижні, дроти та профілі
Назва категорії: Швелер, одиниця виміру тоннаВідноситься до відбору: Будівельні прути, стрижні, дроти та профілі
Опис категорії: Швелер, одиниця виміру тонна
Одиниці виміру: тонна
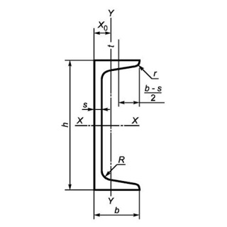
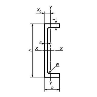
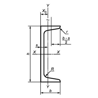
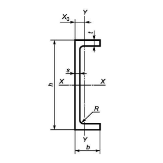
Технічні характеристики
Категорія нормованих показників
Група якості оброблення поверхні
Покриття
Відповідність вимогам стандарту
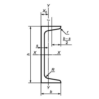
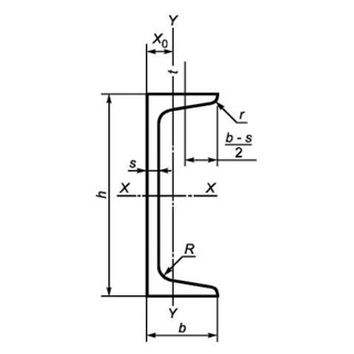
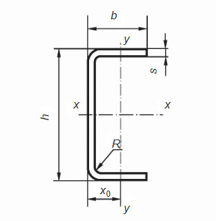
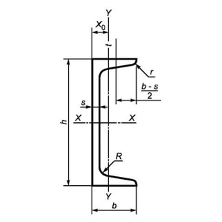
Вид
Марка сталі
Довжина
Група/клас міцності
Знайдено: 1666

Швелер UPN 200 S235J2, міра 6м

Швелер UPE 80 S275J0, міра 12м

Швелер UPN 120 S275J2, міра 12м

Швелер UPE 140 S355J2, міра 6м

Швелер UPN 300 S355J2+AR, міра 12м

Швелер UPN 320 S235J2+M, міра 6м

Швелер гнутий 100х50х3 09Г2С, міра 6м

Швелер UPN 100 S235, міра 6м

Швелер 30П сталь 3ПС/СП, міра 6м

Швелер UPE 200 S275J0, міра 12м

Швелер 24У 3ПС/СП, міра 12м
