44330000-2 Будівельні прути, стрижні, дроти та профілі
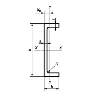
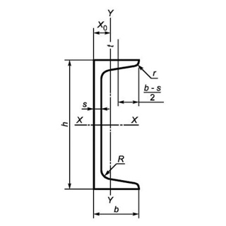
Назва категорії: Швелер, одиниця виміру тоннаВідноситься до відбору: Будівельні прути, стрижні, дроти та профілі
Опис категорії: Швелер, одиниця виміру тонна
Одиниці виміру: тонна
Технічні характеристики
Категорія нормованих показників
Група якості оброблення поверхні
Покриття
Відповідність вимогам стандарту
Вид
Марка сталі
Довжина
Група/клас міцності
Знайдено: 1666

Швелер UPE 160 S275J2, міра 6м

Швелер UPN 260 S355J2+M, міра 12м

Швелер UPE 80 S355J2+M, міра 6м

Швелер UPE 220 S275JR, міра 12м

Швелер UPN 350 S355J2+AR, міра 12м

Швелер UPN 50 S355J2+AR, міра 12м

Швелер гнутий 180х80х5 08КП/ПС, міра 6м

Швелер UPN 80 S355, міра 12м

Швелер гнутий 180х80х5 09Г2С, міра 6м

Швелер UPE 200 S235J0, міра 12м

Швелер UPN 220 S235J2+M, міра 12м
