44330000-2 Будівельні прути, стрижні, дроти та профілі
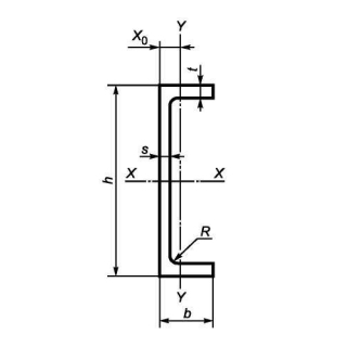
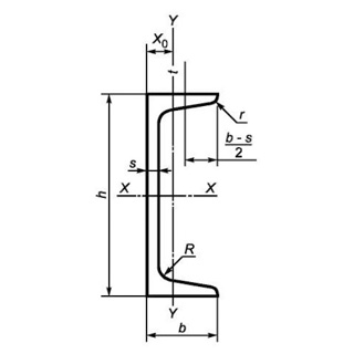
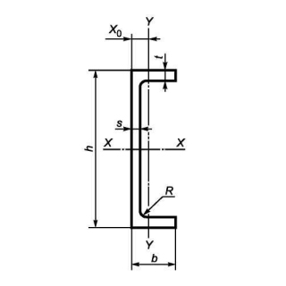
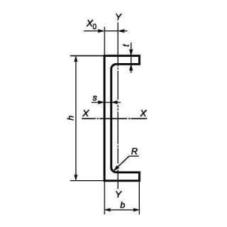
Назва категорії: Швелер, одиниця виміру тоннаВідноситься до відбору: Будівельні прути, стрижні, дроти та профілі
Опис категорії: Швелер, одиниця виміру тонна
Одиниці виміру: тонна
Технічні характеристики
Категорія нормованих показників
Група якості оброблення поверхні
Покриття
Відповідність вимогам стандарту
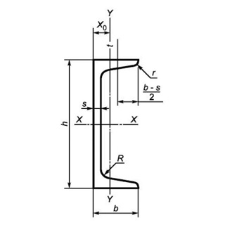
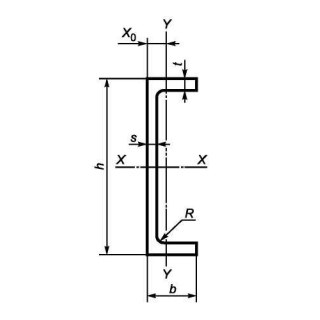
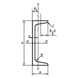
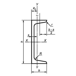
Вид
Марка сталі
Довжина
Група/клас міцності
Знайдено: 1666

Швелер UPE 160 S235J2+AR, міра 12м

Швелер UPN 120 S355J2+M, міра 6м

Швелер UPE 140 S235J2+AR, міра 12м

Швелер UPE 120 S355J0, міра 6м

Швелер 5У 3ПС/СП, міра 12м

Швелер UPE 180 S235JR, міра 12м

Швелер гнутий 140х60х5 08КП/ПС, міра 6м

Швелер UPE 80 S275JR, міра 12м

Швелер UPN 350 S235, міра 6м

Швелер UPE 330 S235J2+N, міра 6м

Швелер UPN 300 S235J0, міра 6м
