44330000-2 Будівельні прути, стрижні, дроти та профілі
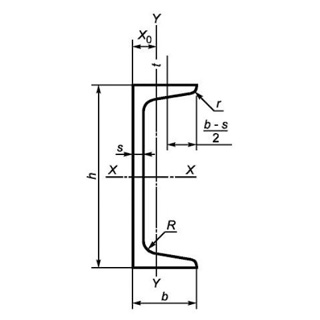
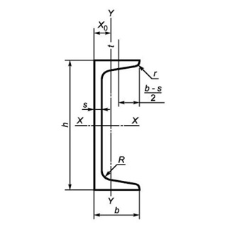
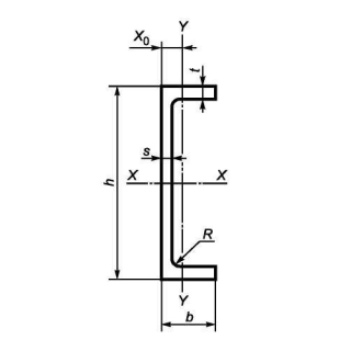
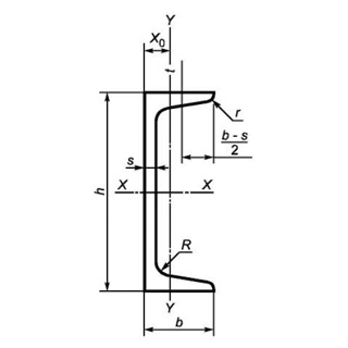
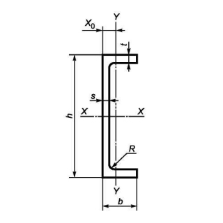
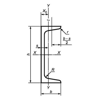
Назва категорії: Швелер, одиниця виміру тоннаВідноситься до відбору: Будівельні прути, стрижні, дроти та профілі
Опис категорії: Швелер, одиниця виміру тонна
Одиниці виміру: тонна
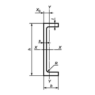
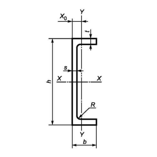
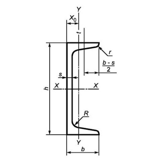
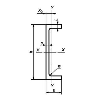
Технічні характеристики
Категорія нормованих показників
Група якості оброблення поверхні
Покриття
Відповідність вимогам стандарту
Вид
Марка сталі
Довжина
Група/клас міцності
Знайдено: 1666

Швелер UPN 300 S235JR, міра 6м

Швелер UPN 65 S235J2+M, міра 6м

Швелер UPE 400 S355J0, міра 6м

Швелер UPN 320 S235, міра 6м

Швелер UPE 300 S235J0, міра 6м

Швелер UPN 380 S275J2, міра 12м

Швелер UPE 80 S235J2+M, міра 6м

Швелер UPN 240 S275J2, міра 12м

Швелер UPE 200 S275J2, міра 12м

Швелер UPE 300 S355J2+M, міра 12м

Швелер UPE 300 S275JR, міра 12м
