44330000-2 Будівельні прути, стрижні, дроти та профілі
Назва категорії: Швелер, одиниця виміру тоннаВідноситься до відбору: Будівельні прути, стрижні, дроти та профілі
Опис категорії: Швелер, одиниця виміру тонна
Одиниці виміру: тонна
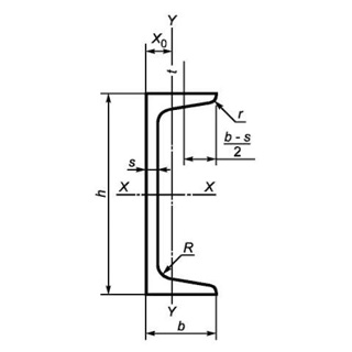
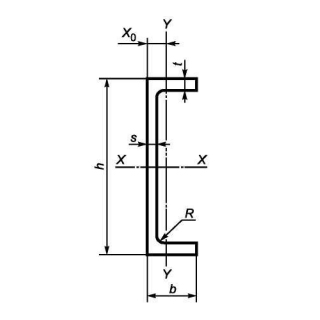
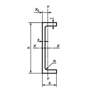
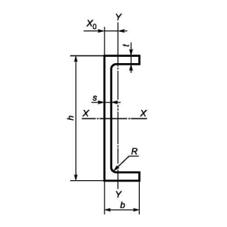
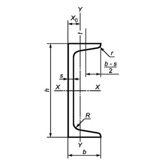
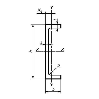
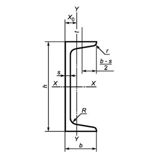
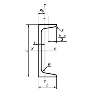
Технічні характеристики
Категорія нормованих показників
Група якості оброблення поверхні
Покриття
Відповідність вимогам стандарту
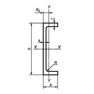
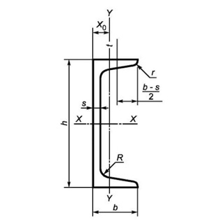
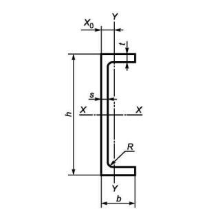
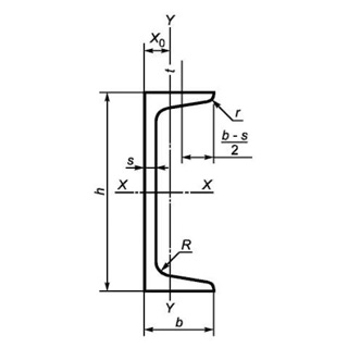
Вид
Марка сталі
Довжина
Група/клас міцності
Знайдено: 1666

Швелер UPE 180 S355J2+M, міра 6м

Швелер UPN 350 S275J2+N, міра 6м

Швелер UPE 140 S275J2+AR, міра 12м

Швелер UPN 260 S235JR, міра 12м

Швелер UPN 240 S355j2, міра 12м

Швелер UPE 240 S275JR, міра 12м

Швелер UPE 400 S275J2+M, міра 6м

Швелер UPE 160 S235J2, міра 6м

Швелер UPN 50 S275J2+AR, міра 12м

Швелер UPE 300 S355J2+AR, міра 12м

Швелер UPN 240 S275J2+AR, міра 12м
