44330000-2 Будівельні прути, стрижні, дроти та профілі
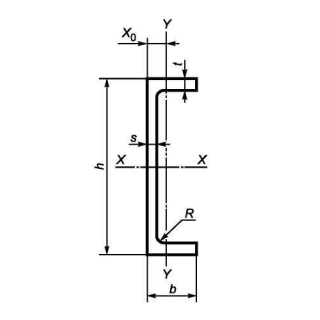
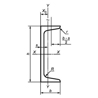
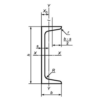
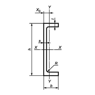
Назва категорії: Швелер, одиниця виміру тоннаВідноситься до відбору: Будівельні прути, стрижні, дроти та профілі
Опис категорії: Швелер, одиниця виміру тонна
Одиниці виміру: тонна
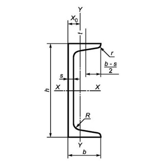
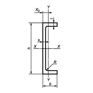
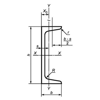
Технічні характеристики
Категорія нормованих показників
Група якості оброблення поверхні
Покриття
Відповідність вимогам стандарту
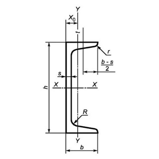
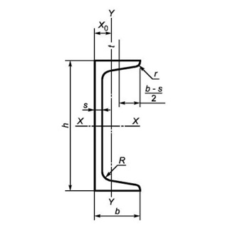
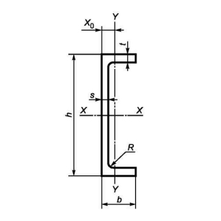
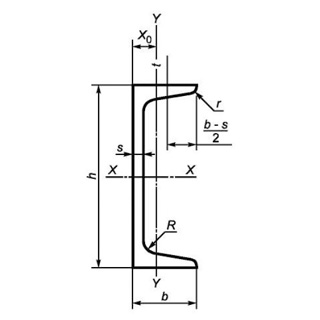
Вид
Марка сталі
Довжина
Група/клас міцності
Знайдено: 1666

Швелер UPN 300 S355J2+N, міра 12м

Швелер UPN 320 S275J2+AR, міра 6м

Швелер UPE 220 S355J2+N, міра 12м

Швелер UPN 380 S355J2+M, міра 12м

Швелер UPE 220 S235J2+M, міра 12м

Швелер UPN 200 S355J0, міра 6м

Швелер UPN 160 S235J2, міра 6м

Швелер 5П сталь 3ПС/СП, міра 6м

Швелер UPN 120 S355j2, міра 12м

Швелер UPE 300 S275J2, міра 12м

Швелер UPE 200 S355J0, міра 6м
