44330000-2 Будівельні прути, стрижні, дроти та профілі
Назва категорії: Швелер, одиниця виміру тоннаВідноситься до відбору: Будівельні прути, стрижні, дроти та профілі
Опис категорії: Швелер, одиниця виміру тонна
Одиниці виміру: тонна
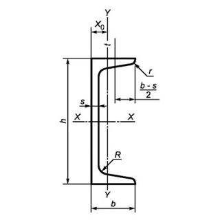
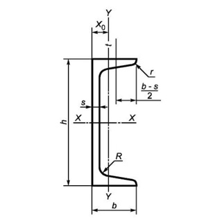
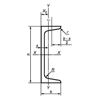
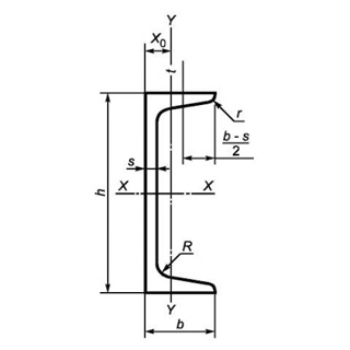
Технічні характеристики
Категорія нормованих показників
Група якості оброблення поверхні
Покриття
Відповідність вимогам стандарту
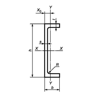
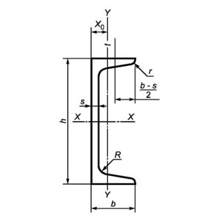
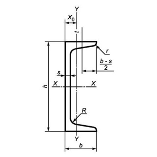
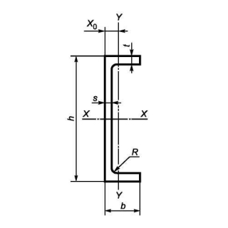
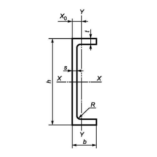
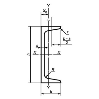
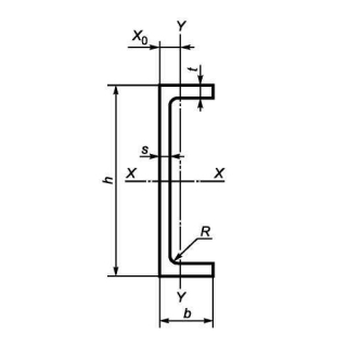
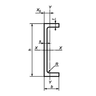
Вид
Марка сталі
Довжина
Група/клас міцності
Знайдено: 1666

Швелер UPN 50 S235J0, міра 6м

Швелер UPN 380 S235J2+M, міра 12м

Швелер 16У 09Г2С, міра 12м

Швелер UPN 350 S355J0, міра 12м

Швелер UPE 140 S355J2+AR, міра 12м

Швелер 14У 3ПС/СП, міра 12м

Швелер UPN 350 S235J2+M, міра 6м

Швелер UPE 220 S275J2, міра 12м

Швелер UPE 300 S275J2+N, міра 6м

Швелер UPN 50 S235J2+AR, міра 12м

Швелер UPE 220 S235J2, міра 6м
