44330000-2 Будівельні прути, стрижні, дроти та профілі
Назва категорії: Швелер, одиниця виміру тоннаВідноситься до відбору: Будівельні прути, стрижні, дроти та профілі
Опис категорії: Швелер, одиниця виміру тонна
Одиниці виміру: тонна
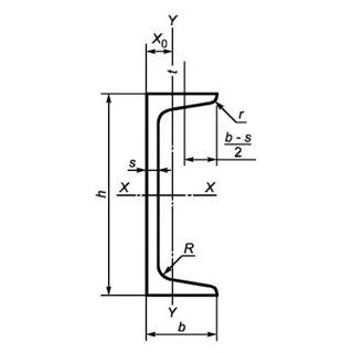
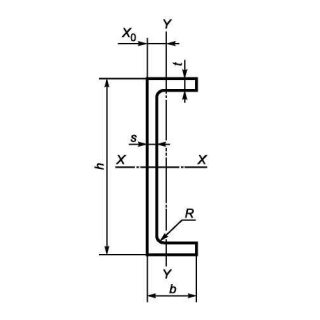
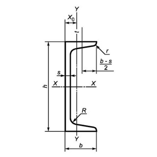
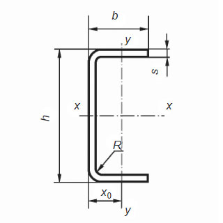
Технічні характеристики
Категорія нормованих показників
Група якості оброблення поверхні
Покриття
Відповідність вимогам стандарту
Вид
Марка сталі
Довжина
Група/клас міцності
Знайдено: 1666

Швелер 16У 3ПС/СП, міра 6м

Швелер UPE 220 S355J2+M, міра 6м

Швелер UPN 180 S235JR, міра 12м

Швелер гнутий 200х100х6 09Г2С, міра 6м

Швелер гнутий 40х20х2 09Г2С, міра 6м

Швелер UPN 260 S355J0, міра 6м

Швелер UPN 280 S275J2+N, міра 12м

Швелер UPN 260 S355J2, міра 6м

Швелер UPE 240 S235J0, міра 12м

Швелер гнутий 80х60х4 3ПС/СП, міра 6м

Швелер UPN 120 S355j2, міра 6м
