44330000-2 Будівельні прути, стрижні, дроти та профілі
Назва категорії: Швелер, одиниця виміру тоннаВідноситься до відбору: Будівельні прути, стрижні, дроти та профілі
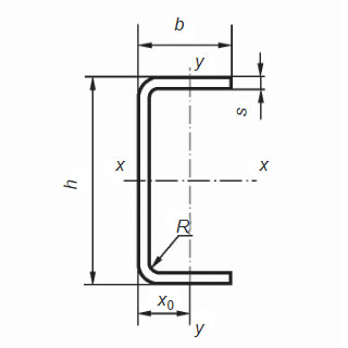
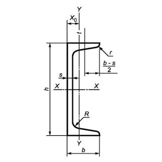
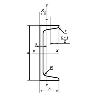
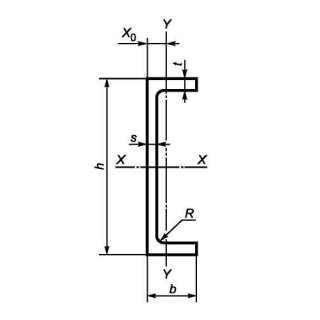
Опис категорії: Швелер, одиниця виміру тонна
Одиниці виміру: тонна
Технічні характеристики
Категорія нормованих показників
Група якості оброблення поверхні
Покриття
Відповідність вимогам стандарту
Вид
Марка сталі
Довжина
Група/клас міцності
Знайдено: 1666

Швелер UPE 360 S355J2+M, міра 6м

Швелер UPN 200 S235JR, міра 6м

Швелер UPE 300 S235J2+M, міра 6м

Швелер UPN 120 S235J2+AR, міра 6м

Швелер гнутий 100х60х4 09Г2С, міра 6м

Швелер 10У 3ПС/СП, міра 12м

Швелер UPN 240 S275J2+M, міра 12м

Швелер UPN 180 S275J0, міра 6м

Швелер гнутий 160х60х4 3ПС/СП, міра 6м

Швелер UPN 200 S235J2+AR, міра 6м

Швелер UPN 65 S275J0, міра 12м
