44330000-2 Будівельні прути, стрижні, дроти та профілі
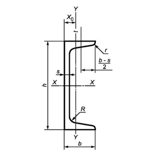
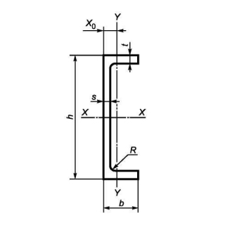
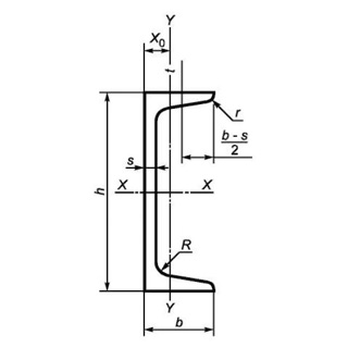
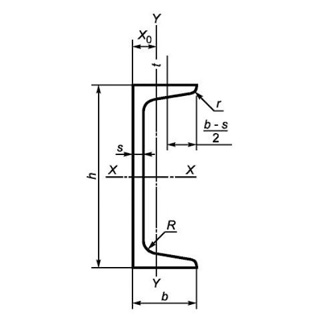
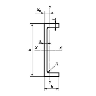
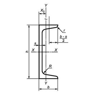
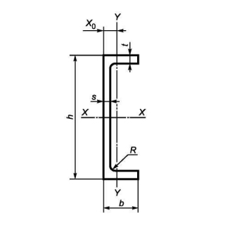
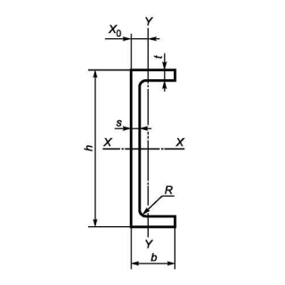
Назва категорії: Швелер, одиниця виміру тоннаВідноситься до відбору: Будівельні прути, стрижні, дроти та профілі
Опис категорії: Швелер, одиниця виміру тонна
Одиниці виміру: тонна
Технічні характеристики
Категорія нормованих показників
Група якості оброблення поверхні
Покриття
Відповідність вимогам стандарту
Вид
Марка сталі
Довжина
Група/клас міцності
Знайдено: 1666

Швелер UPE 80 S275J2, міра 12м

Швелер UPE 240 S235, міра 6м

Швелер UPE 100 S355J2+N, міра 6м

Швелер UPN 220 S275J2+AR, міра 12м

Швелер UPN 400 S275, міра 6м

Швелер UPE 360 S275, міра 6м

Швелер UPN 140 S355J2+M, міра 12м

Швелер UPN 380 S235J2+AR, міра 12м

Швелер UPE 400 S275J0, міра 12м

Швелер UPN 350 S235J2+M, міра 12м

Швелер UPE 300 S235J2+AR, міра 6м
