44330000-2 Будівельні прути, стрижні, дроти та профілі
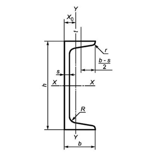
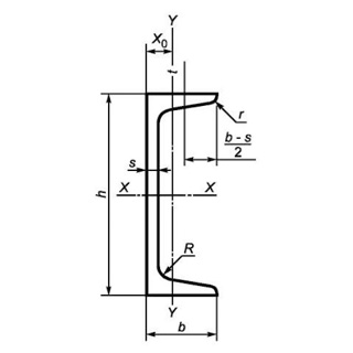
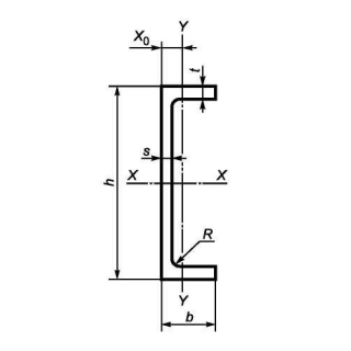
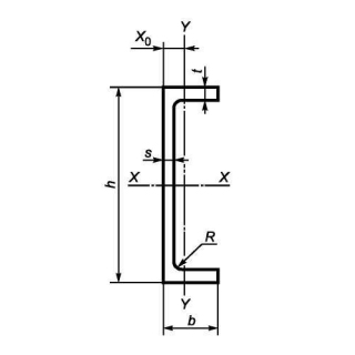
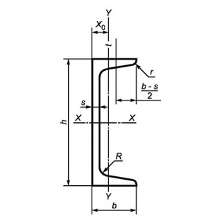
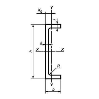
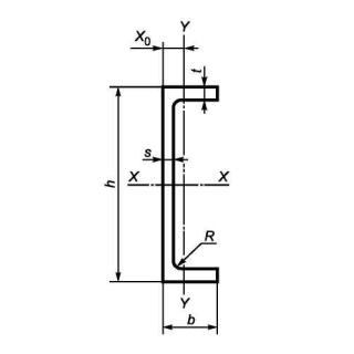
Назва категорії: Швелер, одиниця виміру тоннаВідноситься до відбору: Будівельні прути, стрижні, дроти та профілі
Опис категорії: Швелер, одиниця виміру тонна
Одиниці виміру: тонна
Технічні характеристики
Категорія нормованих показників
Група якості оброблення поверхні
Покриття
Відповідність вимогам стандарту
Вид
Марка сталі
Довжина
Група/клас міцності
Знайдено: 1666

Швелер 5У 3ПС/СП, міра 12м

Швелер 14У 3ПС/СП, міра 12м

Швелер UPE 360 S275JR, міра 12м

Швелер UPE 200 S355JR, міра 6м

Швелер UPE 360 S235, міра 12м

Швелер UPE 200 S235J2, міра 12м

Швелер гнутий 160х80х5 08КП/ПС, міра 6м

Швелер 20У 09Г2С, міра 12м

Швелер UPE 330 S275, міра 12м

Швелер UPN 220 S275J2+AR, міра 6м

Швелер UPE 270 S275J0, міра 6м
