44330000-2 Будівельні прути, стрижні, дроти та профілі
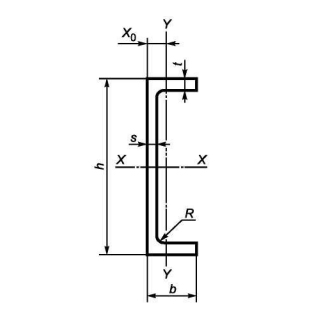
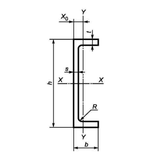
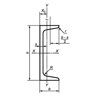
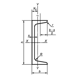
Назва категорії: Швелер, одиниця виміру тоннаВідноситься до відбору: Будівельні прути, стрижні, дроти та профілі
Опис категорії: Швелер, одиниця виміру тонна
Одиниці виміру: тонна
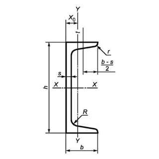
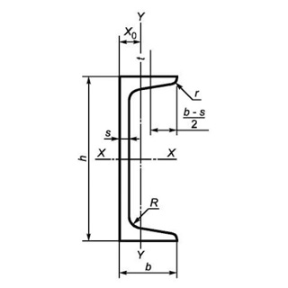
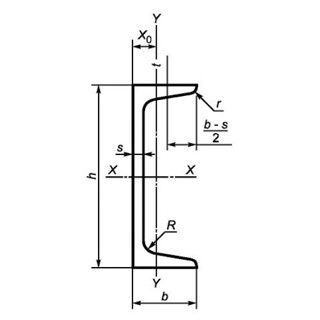
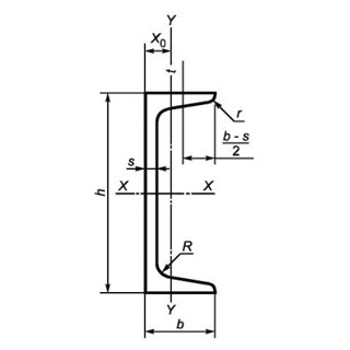
Технічні характеристики
Категорія нормованих показників
Група якості оброблення поверхні
Покриття
Відповідність вимогам стандарту
Вид
Марка сталі
Довжина
Група/клас міцності
Знайдено: 1666

Швелер UPN 280 S235J2+AR, міра 12м

Швелер 30У 09Г2С, міра 12м

Швелер UPN 380 S235J2, міра 6м

Швелер UPN 240 S235, міра 6м

Швелер UPE 100 S275J2, міра 6м

Швелер UPE 360 S355j2, міра 6м

Швелер UPN 400 S235J0, міра 12м

Швелер UPN 350 S355, міра 6м

Швелер 6.5П 3ПС/СП, міра 12м

Швелер UPN 240 S355JR, міра 6м

Швелер UPN 160 S235J2+AR, міра 6м
