44330000-2 Будівельні прути, стрижні, дроти та профілі
Назва категорії: Швелер, одиниця виміру тоннаВідноситься до відбору: Будівельні прути, стрижні, дроти та профілі
Опис категорії: Швелер, одиниця виміру тонна
Одиниці виміру: тонна
Технічні характеристики
Категорія нормованих показників
Група якості оброблення поверхні
Покриття
Відповідність вимогам стандарту
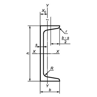
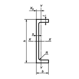
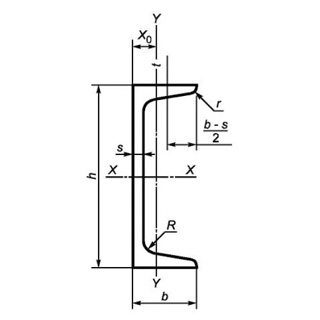
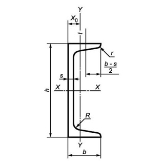
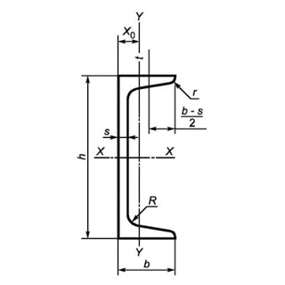
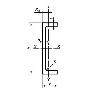
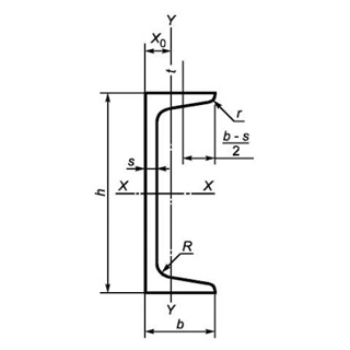
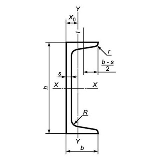
Вид
Марка сталі
Довжина
Група/клас міцності
Знайдено: 1666

Швелер UPE 180 S235J2+N, міра 12м

Швелер UPN 140 S355J2+M, міра 6м

Швелер UPE 200 S235JR, міра 6м

Швелер гнутий 100х40х3 09Г2С, міра 6м

Швелер UPN 380 S275J2, міра 6м

Швелер UPE 400 S355J2+N, міра 12м

Швелер UPN 220 S275, міра 12м

Швелер UPN 200 S235J0, міра 6м

Швелер UPN 65 S275J2+N, міра 12м

Швелер UPE 200 S235J2+N, міра 6м

Швелер UPN 400 S235JR, міра 6м
