44330000-2 Будівельні прути, стрижні, дроти та профілі
Назва категорії: Швелер, одиниця виміру тоннаВідноситься до відбору: Будівельні прути, стрижні, дроти та профілі
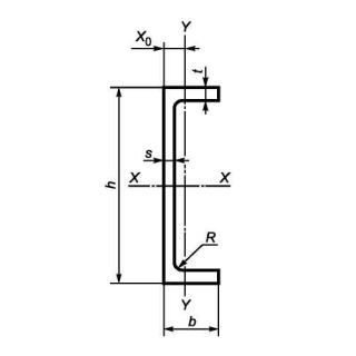
Опис категорії: Швелер, одиниця виміру тонна
Одиниці виміру: тонна
Технічні характеристики
Категорія нормованих показників
Група якості оброблення поверхні
Покриття
Відповідність вимогам стандарту
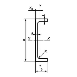
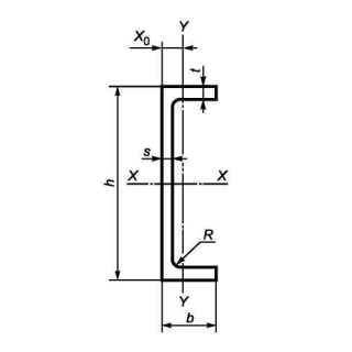
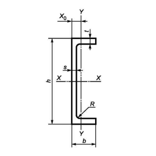
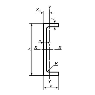
Вид
Марка сталі
Довжина
Група/клас міцності
Знайдено: 1666

Швелер UPE 140 S355, міра 6м

Швелер UPN 100 S275, міра 12м

Швелер UPN 260 S355, міра 12м

Швелер 18У сталь 345 09Г2С 14 міра 12м

Швелер UPN 220 S355J0, міра 6м

Швелер UPE 270 S355j2, міра 12м

Швелер UPE 180 S275J2+M, міра 6м

Швелер UPE 330 S275J2+M, міра 6м

Швелер UPE 100 S235J2+AR, міра 12м

Швелер UPE 140 S275J0, міра 6м

Швелер UPE 180 S355J2+M, міра 12м
