44330000-2 Будівельні прути, стрижні, дроти та профілі
Назва категорії: Швелер, одиниця виміру тоннаВідноситься до відбору: Будівельні прути, стрижні, дроти та профілі
Опис категорії: Швелер, одиниця виміру тонна
Одиниці виміру: тонна
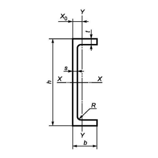
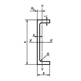
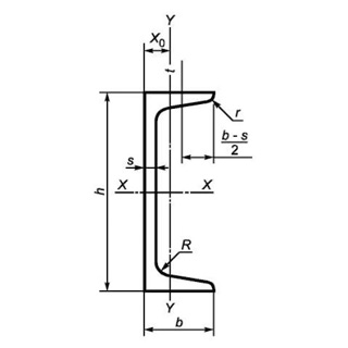
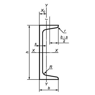
Технічні характеристики
Категорія нормованих показників
Група якості оброблення поверхні
Покриття
Відповідність вимогам стандарту
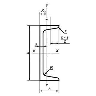
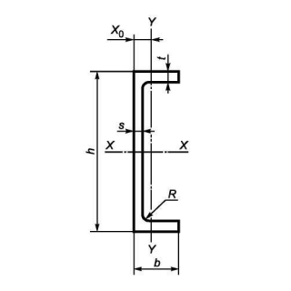
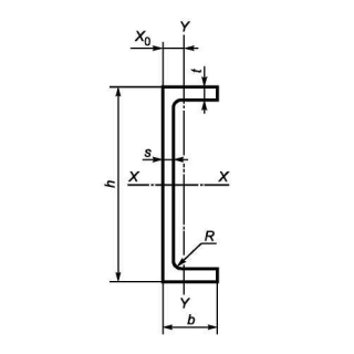
Вид
Марка сталі
Довжина
Група/клас міцності
Знайдено: 1666

Швелер UPE 300 S275J0, міра 12м

Швелер UPE 300 S235, міра 12м

Швелер UPN 350 S355J2+M, міра 6м

Швелер UPE 120 S235, міра 12м

Швелер UPN 280 S235J2, міра 6м

Швелер гнутий 140х60х6 09Г2С, міра 6м

Швелер UPE 240 S235J2+AR, міра 6м

Швелер UPE 140 S235J2+M, міра 6м

Швелер UPN 220 S355J2+M, міра 6м

Швелер UPN 140 S275JR, міра 12м

Швелер UPE 120 S355J2+M, міра 6м
