44330000-2 Будівельні прути, стрижні, дроти та профілі
Назва категорії: Швелер, одиниця виміру тоннаВідноситься до відбору: Будівельні прути, стрижні, дроти та профілі
Опис категорії: Швелер, одиниця виміру тонна
Одиниці виміру: тонна
Технічні характеристики
Категорія нормованих показників
Група якості оброблення поверхні
Покриття
Відповідність вимогам стандарту
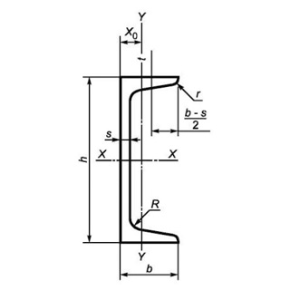
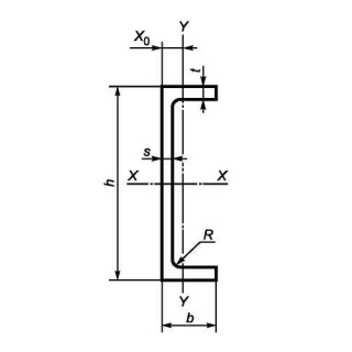
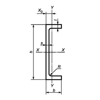
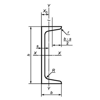
Вид
Марка сталі
Довжина
Група/клас міцності
Знайдено: 1666

Швелер 18П 3ПС/СП, міра 12м

Швелер UPN 50 S235J2, міра 12м

Швелер UPE 160 S355, міра 6м

Швелер UPN 400 S355J2+M, міра 12м

Швелер UPE 160 S235J2+M, міра 12м

Швелер UPN 220 S235J2, міра 12м

Швелер UPE 400 S355J0, міра 12м

Швелер UPE 270 S275JR, міра 6м

Швелер UPN 400 S235J2+M, міра 6м

Швелер UPN 180 S355J2+AR, міра 12м

Швелер UPE 270 S275JR, міра 12м
