44330000-2 Будівельні прути, стрижні, дроти та профілі
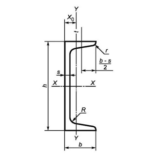
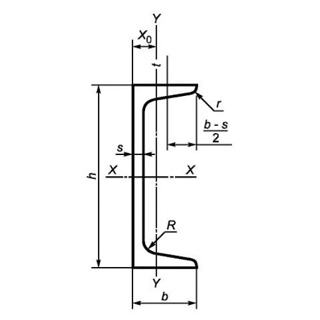
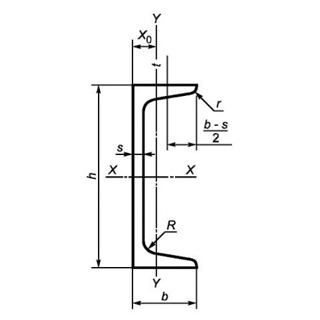
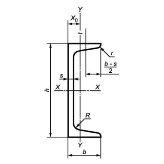
Назва категорії: Швелер, одиниця виміру тоннаВідноситься до відбору: Будівельні прути, стрижні, дроти та профілі
Опис категорії: Швелер, одиниця виміру тонна
Одиниці виміру: тонна
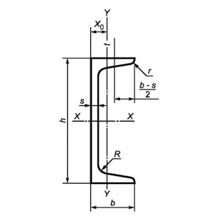
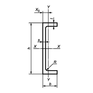
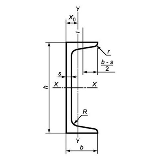
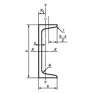
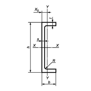
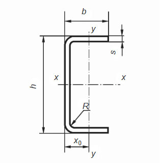
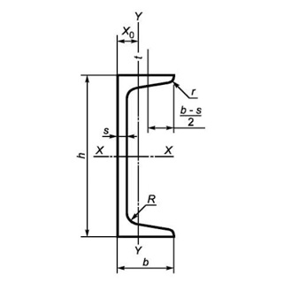
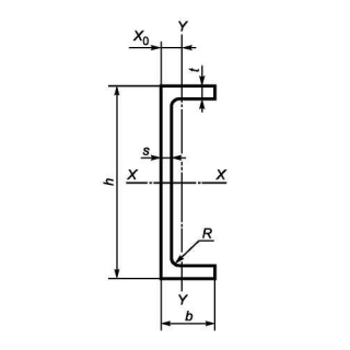
Технічні характеристики
Категорія нормованих показників
Група якості оброблення поверхні
Покриття
Відповідність вимогам стандарту
Вид
Марка сталі
Довжина
Група/клас міцності
Знайдено: 1666

Швелер UPN 220 S275J2+M, міра 12м

Швелер UPE 330 S235JR, міра 6м

Швелер UPN 100 S235J2+M, міра 12м

Швелер 36У 3ПС/СП, міра 12м

Швелер 40У 3ПС/СП, міра 12м

Швелер UPN 240 S275J2+AR, міра 6м

Швелер UPN 220 S355J2+AR, міра 12м

Швелер UPN 120 S275J2+AR, міра 12м

Швелер UPE 220 S275J0, міра 6м

Швелер гнутий 80х50х4 08КП/ПС, міра 6м

Швелер UPN 280 S235JR, міра 6м
