44330000-2 Будівельні прути, стрижні, дроти та профілі
Назва категорії: Швелер, одиниця виміру тоннаВідноситься до відбору: Будівельні прути, стрижні, дроти та профілі
Опис категорії: Швелер, одиниця виміру тонна
Одиниці виміру: тонна
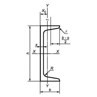
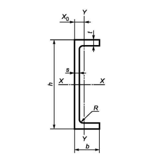
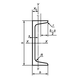
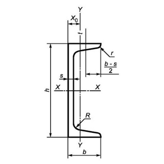
Технічні характеристики
Категорія нормованих показників
Група якості оброблення поверхні
Покриття
Відповідність вимогам стандарту
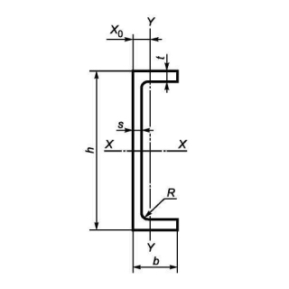
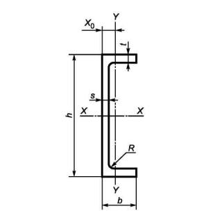
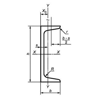
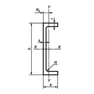
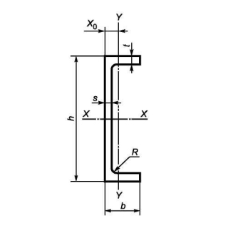
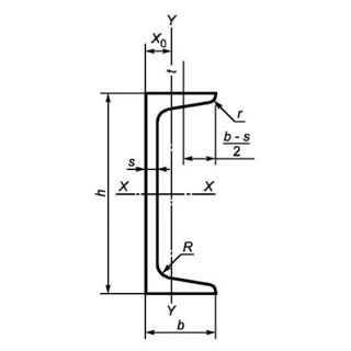
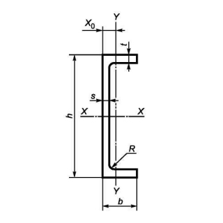
Вид
Марка сталі
Довжина
Група/клас міцності
Знайдено: 1666

Швелер UPN 260 S235, міра 12м

Швелер UPE 330 S275J2+AR, міра 12м

Швелер UPN 220 S355J2, міра 6м

Швелер 14У 3ПС/СП, міра 6м

Швелер UPE 220 S235, міра 12м

Швелер UPE 240 S235JR, міра 12м

Швелер UPE 240 S235J2+N, міра 6м

Швелер UPN 280 S235J2+M, міра 6м

Швелер UPE 360 S355JR, міра 6м

Швелер UPE 240 S275J2+AR, міра 12м

Швелер UPN 100 S355J2+M, міра 6м
