44330000-2 Будівельні прути, стрижні, дроти та профілі
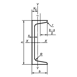
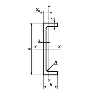
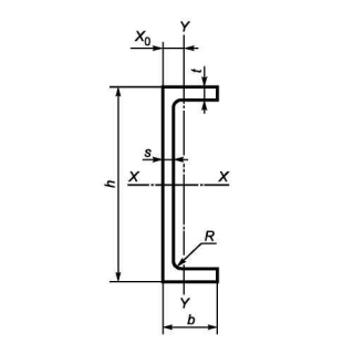
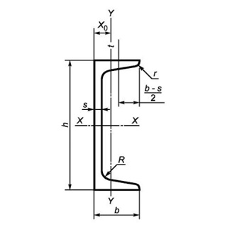
Назва категорії: Швелер, одиниця виміру тоннаВідноситься до відбору: Будівельні прути, стрижні, дроти та профілі
Опис категорії: Швелер, одиниця виміру тонна
Одиниці виміру: тонна
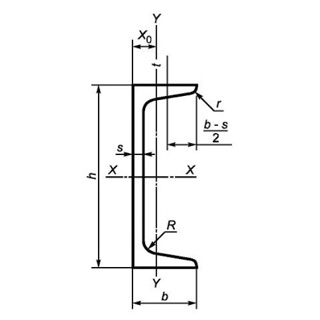
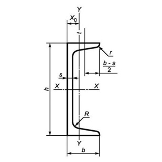
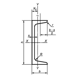
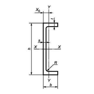
Технічні характеристики
Категорія нормованих показників
Група якості оброблення поверхні
Покриття
Відповідність вимогам стандарту
Вид
Марка сталі
Довжина
Група/клас міцності
Знайдено: 1666

Швелер гнутий 100х60х3 3ПС/СП, міра 6м

Швелер UPN 65 S355, міра 12м

Швелер UPN 260 S355J2+AR, міра 12м

Швелер UPE 80 S235J2, міра 12м

Швелер 27У 3ПС/СП, міра 6м

Швелер UPN 160 S275J2+AR, міра 6м

Швелер UPN 80 S235J2+AR, міра 6м

Швелер 30П 3ПС/СП, міра 12м

Швелер UPN 240 S275J0, міра 12м

Швелер UPE 330 S235, міра 6м

Швелер UPE 400 S235J2, міра 12м
