44330000-2 Будівельні прути, стрижні, дроти та профілі
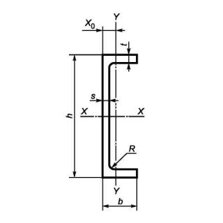
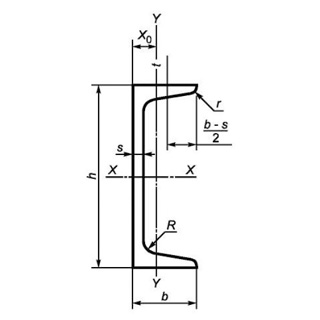
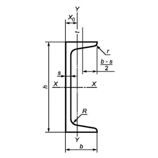
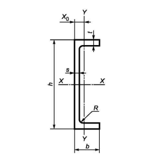
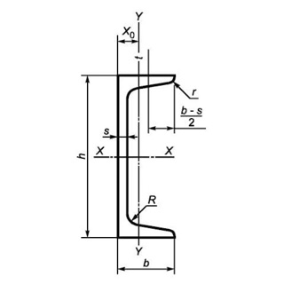
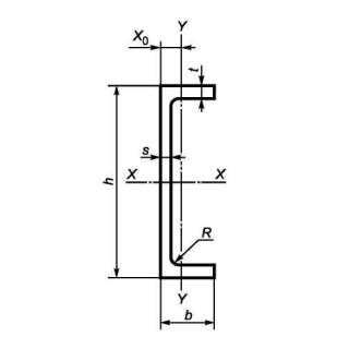
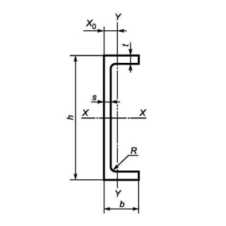
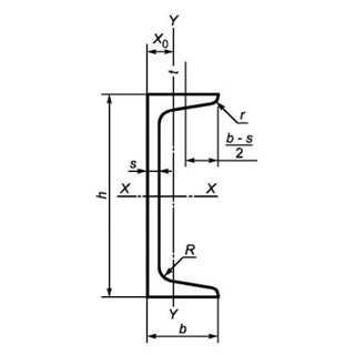
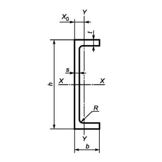
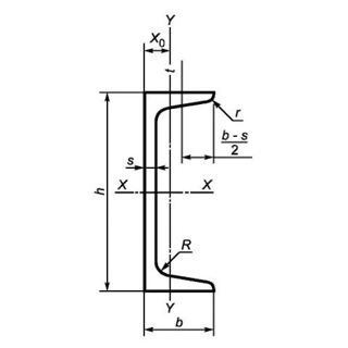
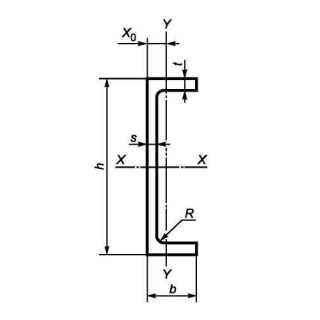
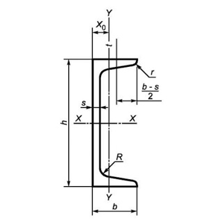
Назва категорії: Швелер, одиниця виміру тоннаВідноситься до відбору: Будівельні прути, стрижні, дроти та профілі
Опис категорії: Швелер, одиниця виміру тонна
Одиниці виміру: тонна
Технічні характеристики
Категорія нормованих показників
Група якості оброблення поверхні
Покриття
Відповідність вимогам стандарту
Вид
Марка сталі
Довжина
Група/клас міцності
Знайдено: 1666

Швелер UPE 220 S355, міра 12м

Швелер UPN 120 S275J2+N, міра 6м

Швелер UPN 300 S355, міра 12м

Швелер UPE 100 S275JR, міра 6м

Швелер UPN 300 S275J2+M, міра 6м

Швелер UPE 200 S355J2, міра 12м

Швелер UPE 140 S355J0, міра 12м

Швелер UPN 180 S355j2, міра 6м

Швелер UPE 270 S355j2, міра 6м

Швелер UPN 200 S355J2+N, міра 12м

Швелер UPE 80 S275, міра 6м
