44330000-2 Будівельні прути, стрижні, дроти та профілі
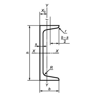
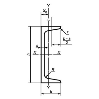
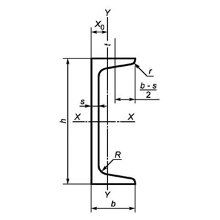
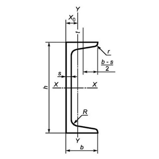
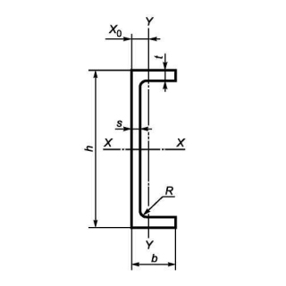
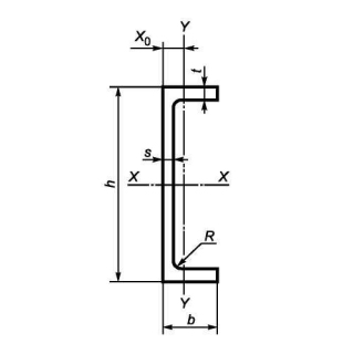
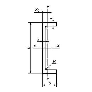
Назва категорії: Швелер, одиниця виміру тоннаВідноситься до відбору: Будівельні прути, стрижні, дроти та профілі
Опис категорії: Швелер, одиниця виміру тонна
Одиниці виміру: тонна
Технічні характеристики
Категорія нормованих показників
Група якості оброблення поверхні
Покриття
Відповідність вимогам стандарту
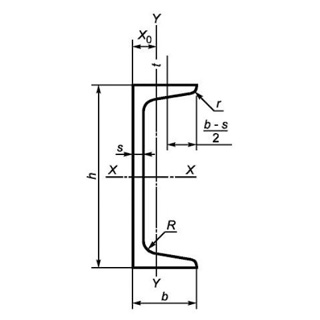
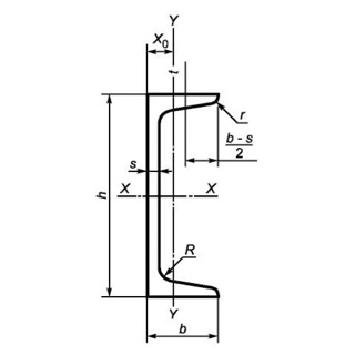
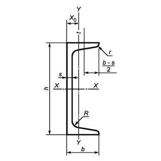
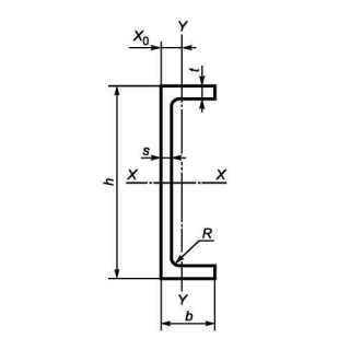
Вид
Марка сталі
Довжина
Група/клас міцності
Знайдено: 1666

Швелер UPN 380 S275JR, міра 6м

Швелер UPN 180 S235J2+AR, міра 6м

Швелер UPN 180 S275J2+M, міра 6м

Швелер UPE 100 S355J0, міра 12м

Швелер UPN 380 S355J2+AR, міра 12м

Швелер UPN 80 S235JR, міра 12м

Швелер UPN 220 S355J2+M, міра 12м

Швелер UPN 50 S355, міра 6м

Швелер UPE 200 S355J2+M, міра 6м

Швелер UPE 180 S275J2, міра 12м

Швелер UPE 160 S235J2, міра 12м
