44330000-2 Будівельні прути, стрижні, дроти та профілі
Назва категорії: Швелер, одиниця виміру тоннаВідноситься до відбору: Будівельні прути, стрижні, дроти та профілі
Опис категорії: Швелер, одиниця виміру тонна
Одиниці виміру: тонна
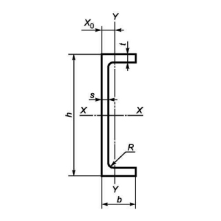
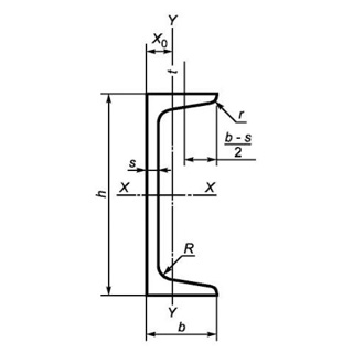
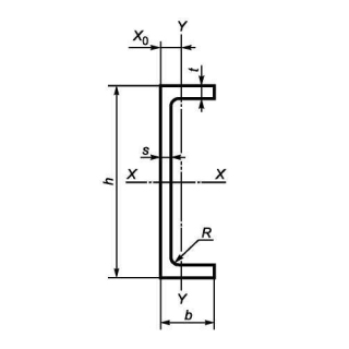
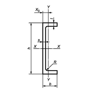
Технічні характеристики
Категорія нормованих показників
Група якості оброблення поверхні
Покриття
Відповідність вимогам стандарту
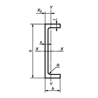
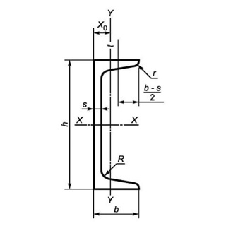
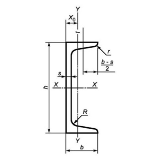
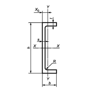
Вид
Марка сталі
Довжина
Група/клас міцності
Знайдено: 1666

Швелер UPE 400 S355j2, міра 6м

Швелер UPN 300 S355JR, міра 12м

Швелер UPN 180 S275JR, міра 12м

Швелер UPE 180 S355J2, міра 6м

Швелер UPE 160 S275J0, міра 6м

Швелер UPN 380 S275J2+N, міра 12м

Швелер UPE 360 S355, міра 12м

Швелер UPE 360 S275J2, міра 12м

Швелер UPN 100 S275, міра 6м

Швелер UPE 200 S235JR, міра 12м

Швелер UPE 400 S235JR, міра 6м
