44330000-2 Будівельні прути, стрижні, дроти та профілі
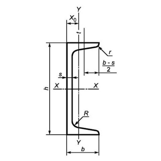
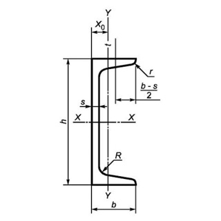
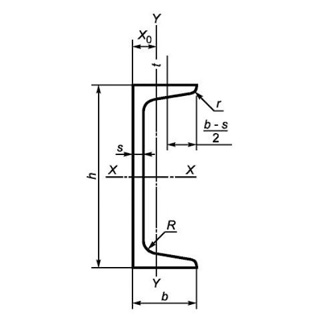
Назва категорії: Швелер, одиниця виміру тоннаВідноситься до відбору: Будівельні прути, стрижні, дроти та профілі
Опис категорії: Швелер, одиниця виміру тонна
Одиниці виміру: тонна
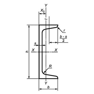
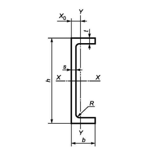
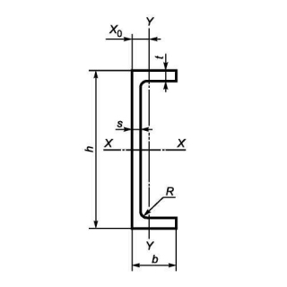
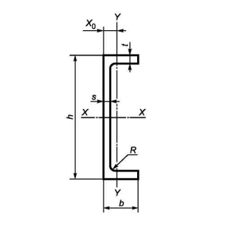
Технічні характеристики
Категорія нормованих показників
Група якості оброблення поверхні
Покриття
Відповідність вимогам стандарту
Вид
Марка сталі
Довжина
Група/клас міцності
Знайдено: 1666

Швелер UPN 320 S355J2+AR, міра 6м

Швелер UPE 400 S235JR, міра 12м

Швелер UPE 360 S275, міра 12м

Швелер UPE 160 S355j2, міра 6м

Швелер 24У 3ПС/СП, міра 12м

Швелер UPE 160 S275J2+N, міра 12м

Швелер UPN 140 S275, міра 6м

Швелер UPN 140 S235, міра 6м

Швелер UPE 400 S355J2+AR, міра 6м

Швелер UPN 65 S275J2, міра 12м

Швелер UPN 120 S235J2+N, міра 6м
