44330000-2 Будівельні прути, стрижні, дроти та профілі
Назва категорії: Швелер, одиниця виміру тоннаВідноситься до відбору: Будівельні прути, стрижні, дроти та профілі
Опис категорії: Швелер, одиниця виміру тонна
Одиниці виміру: тонна
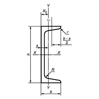
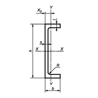
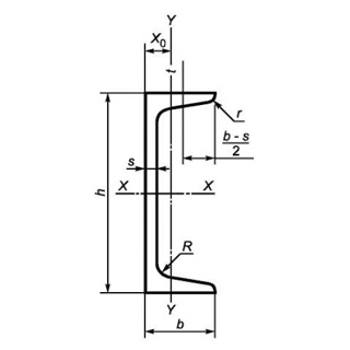
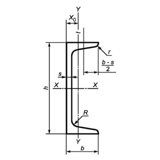
Технічні характеристики
Категорія нормованих показників
Група якості оброблення поверхні
Покриття
Відповідність вимогам стандарту
Вид
Марка сталі
Довжина
Група/клас міцності
Знайдено: 1666

Швелер UPN 380 S355, міра 12м

Швелер UPE 330 S275J2+M, міра 12м

Швелер UPN 350 S355j2, міра 6м

Швелер UPN 280 S355, міра 6м

Швелер UPN 260 S355j2, міра 12м

Швелер 36У 3ПС/СП, міра 6м

Швелер 12П 09Г2С, міра 12м

Швелер UPN 65 S355J2+N, міра 12м

Швелер UPN 80 S355JR, міра 6м

Швелер UPN 380 S275J2+M, міра 12м

Швелер UPE 140 S235J2+N, міра 12м
