44330000-2 Будівельні прути, стрижні, дроти та профілі
Назва категорії: Швелер, одиниця виміру тоннаВідноситься до відбору: Будівельні прути, стрижні, дроти та профілі
Опис категорії: Швелер, одиниця виміру тонна
Одиниці виміру: тонна
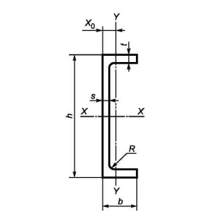
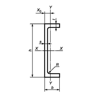
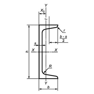
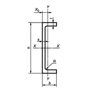
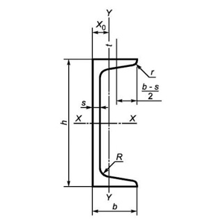
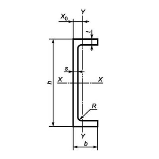
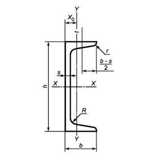
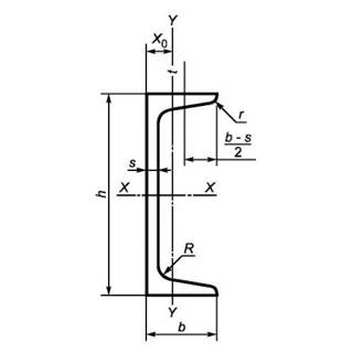
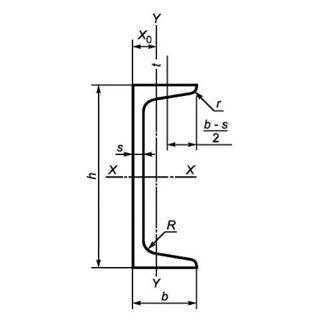
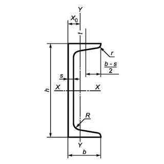
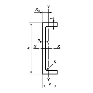
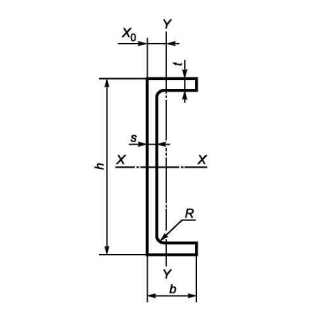
Технічні характеристики
Категорія нормованих показників
Група якості оброблення поверхні
Покриття
Відповідність вимогам стандарту
Вид
Марка сталі
Довжина
Група/клас міцності
Знайдено: 1666

Швелер UPE 400 S235J2+M, міра 6м

Швелер UPE 240 S275J2, міра 12м

Швелер UPN 80 S355J2+N, міра 6м

Швелер UPE 200 S235J2+AR, міра 6м

Швелер UPN 140 S275J2, міра 6м

Швелер UPE 160 S235J2+N, міра 12м

Швелер UPN 300 S235J2+N, міра 6м

Швелер UPN 380 S355J2+N, міра 12м

Швелер UPN 350 S355, міра 12м

Швелер UPN 220 S355JR, міра 12м

Швелер UPE 270 S275, міра 6м
