44330000-2 Будівельні прути, стрижні, дроти та профілі
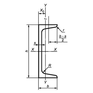
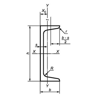
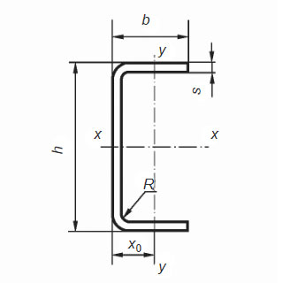
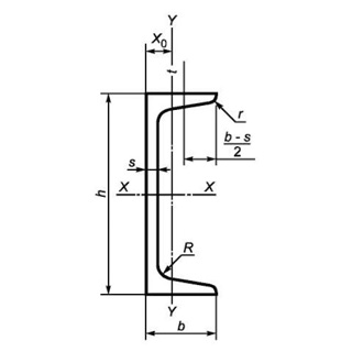
Назва категорії: Швелер, одиниця виміру тоннаВідноситься до відбору: Будівельні прути, стрижні, дроти та профілі
Опис категорії: Швелер, одиниця виміру тонна
Одиниці виміру: тонна
Технічні характеристики
Категорія нормованих показників
Група якості оброблення поверхні
Покриття
Відповідність вимогам стандарту
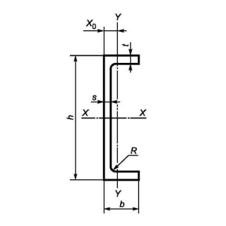
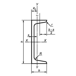
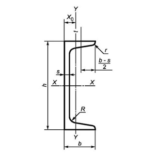
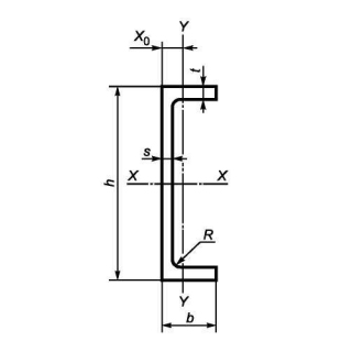
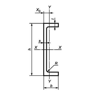
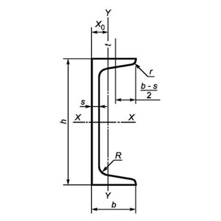
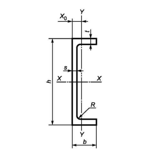
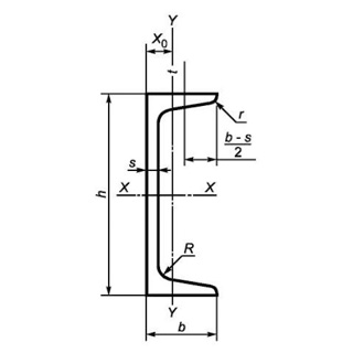
Вид
Марка сталі
Довжина
Група/клас міцності
Знайдено: 1666

Швелер 18П сталь 3ПС/СП, міра 6м

Швелер UPN 240 S235JR, міра 6м

Швелер UPN 160 S355J2+AR, міра 6м

Швелер UPE 270 S235J2+N, міра 12м

Швелер UPE 200 S235J2+N, міра 12м

Швелер UPN 50 S235JR, міра 6м

Швелер UPE 120 S235JR, міра 12м

Швелер UPN 160 S355J2, міра 6м

Швелер UPN 200 S355JR, міра 6м

Швелер UPN 200 S355, міра 12м

Швелер гнутий 160х80х6 08КП/ПС, міра 6м
