44330000-2 Будівельні прути, стрижні, дроти та профілі
Назва категорії: Швелер, одиниця виміру тоннаВідноситься до відбору: Будівельні прути, стрижні, дроти та профілі
Опис категорії: Швелер, одиниця виміру тонна
Одиниці виміру: тонна
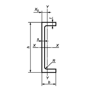
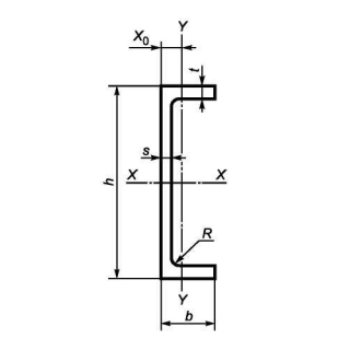
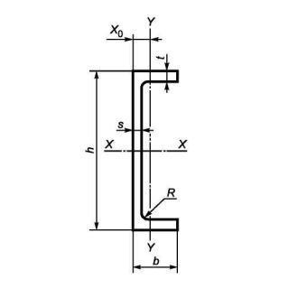
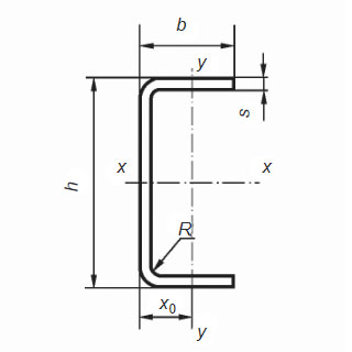
Технічні характеристики
Категорія нормованих показників
Група якості оброблення поверхні
Покриття
Відповідність вимогам стандарту
Вид
Марка сталі
Довжина
Група/клас міцності
Знайдено: 1666

Швелер UPN 400 S275JR, міра 6м

Швелер UPN 100 S275J0, міра 12м

Швелер UPE 200 S355J0, міра 12м

Швелер гнутий 180х100х5 3ПС/СП, міра 6м

Швелер 5П 09Г2С, міра 12м

Швелер UPN 300 S235J2+N, міра 12м

Швелер UPE 160 S235JR, міра 6м

Швелер 20У 3ПС/СП, міра 12м

Швелер UPE 240 S235J0, міра 6м

Швелер UPE 180 S235J2, міра 12м

Швелер UPE 140 S355j2, міра 12м
