44330000-2 Будівельні прути, стрижні, дроти та профілі
Назва категорії: Швелер, одиниця виміру тоннаВідноситься до відбору: Будівельні прути, стрижні, дроти та профілі
Опис категорії: Швелер, одиниця виміру тонна
Одиниці виміру: тонна
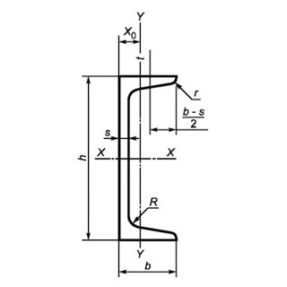
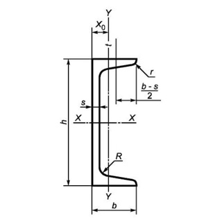
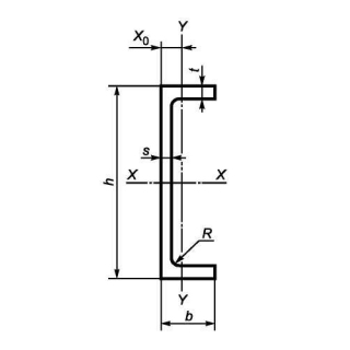
Технічні характеристики
Категорія нормованих показників
Група якості оброблення поверхні
Покриття
Відповідність вимогам стандарту
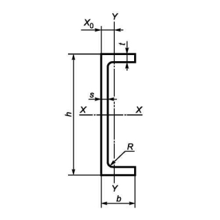
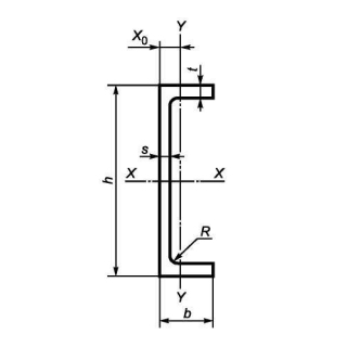
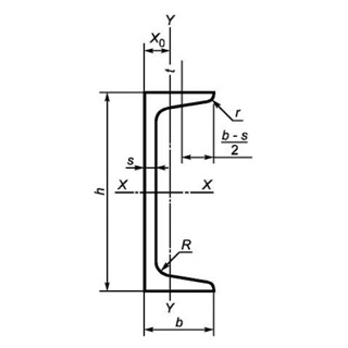
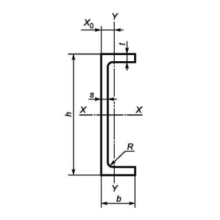
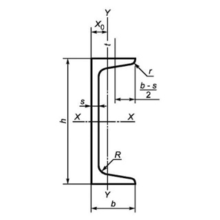
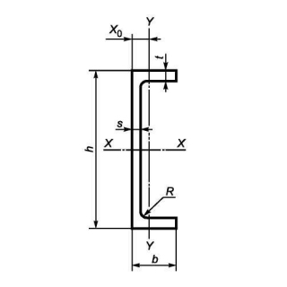
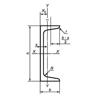
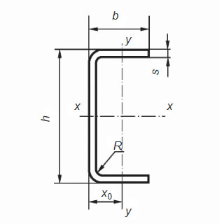
Вид
Марка сталі
Довжина
Група/клас міцності
Знайдено: 1666

Швелер UPE 80 S355J0, міра 12м

Швелер UPE 360 S275J0, міра 12м

Швелер UPN 180 S235J2+M, міра 6м

Швелер 6.5П сталь 3ПС/СП, міра 6м

Швелер UPN 180 S355J2+N, міра 6м

Швелер UPE 200 S275J2+AR, міра 12м

Швелер 12П 3ПС/СП, міра 12м

Швелер UPN 120 S275J0, міра 12м

Швелер гнутий 160х100х6 08КП/ПС, міра 6м

Швелер UPN 160 S235J2+AR, міра 12м

Швелер UPN 400 S355JR, міра 6м
