44330000-2 Будівельні прути, стрижні, дроти та профілі
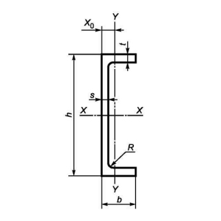
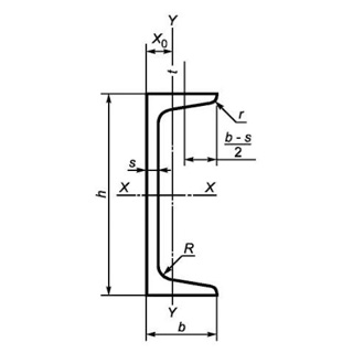
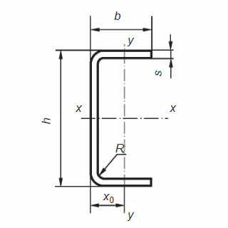
Назва категорії: Швелер, одиниця виміру тоннаВідноситься до відбору: Будівельні прути, стрижні, дроти та профілі
Опис категорії: Швелер, одиниця виміру тонна
Одиниці виміру: тонна
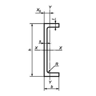
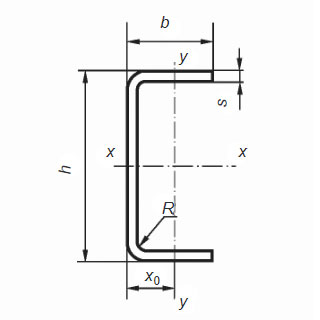
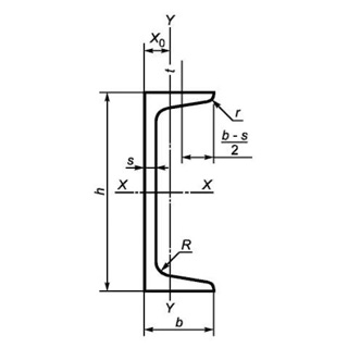
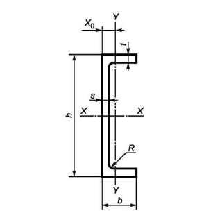
Технічні характеристики
Категорія нормованих показників
Група якості оброблення поверхні
Покриття
Відповідність вимогам стандарту
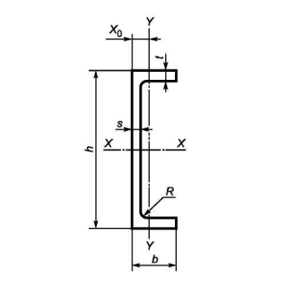
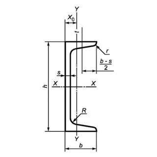
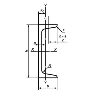
Вид
Марка сталі
Довжина
Група/клас міцності
Знайдено: 1666

Швелер UPE 100 S355J2, міра 12м

Швелер гнутий 160х60х5 08КП/ПС, міра 6м

Швелер UPN 140 S355J2, міра 6м

Швелер UPN 320 S235J0, міра 12м

Швелер UPE 300 S355j2, міра 6м

Швелер UPE 360 S275J2+M, міра 6м

Швелер UPN 260 S235J2+N, міра 12м

Швелер 40П сталь 3ПС/СП, міра 6м

Швелер гнутий 180х80х5 3ПС/СП, міра 6м

Швелер 33П сталь 3ПС/СП, міра 12м

Швелер 33У 09Г2С, міра 12м
