44330000-2 Будівельні прути, стрижні, дроти та профілі
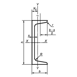
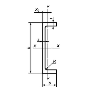
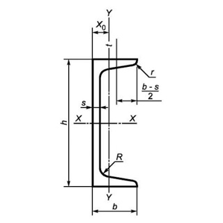
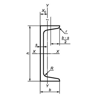
Назва категорії: Швелер, одиниця виміру тоннаВідноситься до відбору: Будівельні прути, стрижні, дроти та профілі
Опис категорії: Швелер, одиниця виміру тонна
Одиниці виміру: тонна
Технічні характеристики
Категорія нормованих показників
Група якості оброблення поверхні
Покриття
Відповідність вимогам стандарту
Вид
Марка сталі
Довжина
Група/клас міцності
Знайдено: 1666

Швелер UPN 220 S355, міра 6м

Швелер гнутий 60х40х2 09Г2С, міра 6м

Швелер UPE 200 S235J2+M, міра 12м

Швелер UPN 260 S355J2+N, міра 12м

Швелер UPN 350 S235JR, міра 6м

Швелер UPE 100 S355, міра 12м

Швелер UPE 120 S275J2, міра 12м

Швелер UPN 350 S235JR, міра 12м

Швелер UPE 120 S275J2+N, міра 12м

Швелер UPN 280 S235J2+M, міра 12м

Швелер UPN 380 S275, міра 12м
