44330000-2 Будівельні прути, стрижні, дроти та профілі
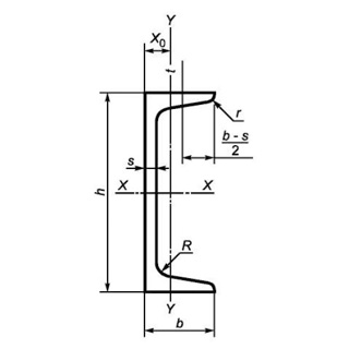
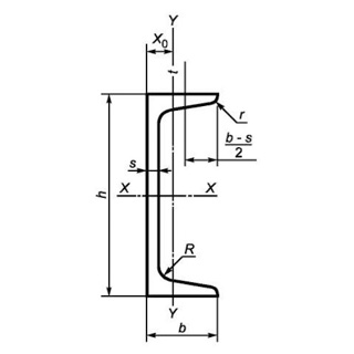
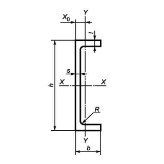
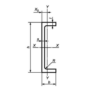
Назва категорії: Швелер, одиниця виміру тоннаВідноситься до відбору: Будівельні прути, стрижні, дроти та профілі
Опис категорії: Швелер, одиниця виміру тонна
Одиниці виміру: тонна
Технічні характеристики
Категорія нормованих показників
Група якості оброблення поверхні
Покриття
Відповідність вимогам стандарту
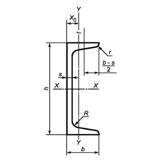
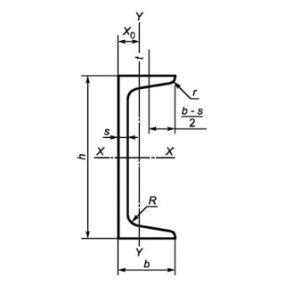
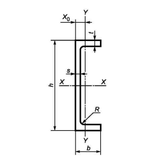
Вид
Марка сталі
Довжина
Група/клас міцності
Знайдено: 1666

Швелер UPN 65 S235JR, міра 12м

Швелер UPE 140 S275, міра 12м

Швелер гнутий 160х100х6 09Г2С, міра 6м

Швелер UPN 100 S275JR, міра 12м

Швелер UPE 140 S355j2, міра 6м

Швелер 33У сталь 345 09Г2С 14 міра 12м

Швелер UPN 65 S355J2+M, міра 6м

Швелер UPE 140 S235, міра 6м

Швелер UPE 270 S275J2+M, міра 6м

Швелер UPN 100 S355J2+N, міра 6м

Швелер UPN 80 S275JR, міра 12м
