44330000-2 Будівельні прути, стрижні, дроти та профілі
Назва категорії: Швелер, одиниця виміру тоннаВідноситься до відбору: Будівельні прути, стрижні, дроти та профілі
Опис категорії: Швелер, одиниця виміру тонна
Одиниці виміру: тонна
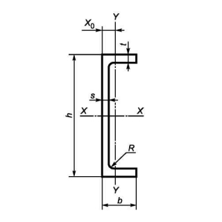
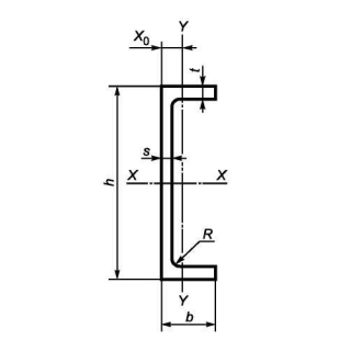
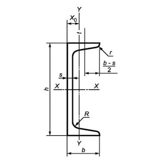
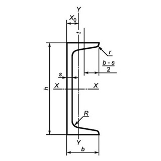
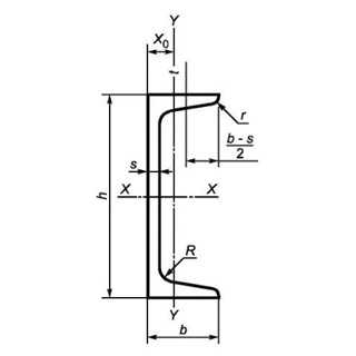
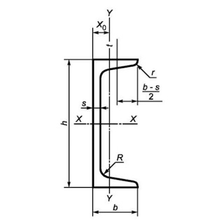
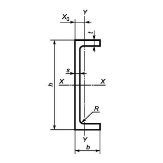
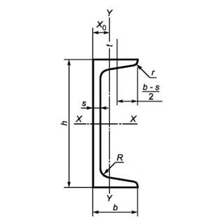
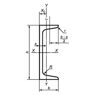
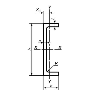
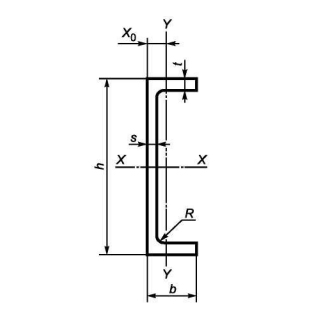
Технічні характеристики
Категорія нормованих показників
Група якості оброблення поверхні
Покриття
Відповідність вимогам стандарту
Вид
Марка сталі
Довжина
Група/клас міцності
Знайдено: 1666

Швелер UPE 140 S235JR, міра 12м

Швелер UPE 200 S235J2+AR, міра 12м

Швелер UPN 380 S275JR, міра 12м

Швелер UPN 140 S275J2+AR, міра 12м

Швелер UPN 160 S275, міра 12м

Швелер UPN 220 S275J2+N, міра 12м

Швелер 20П сталь 345 09Г2С 14 міра 12м

Швелер UPE 400 S275, міра 6м

Швелер UPN 200 S355J2, міра 6м

Швелер UPN 220 S235J2+AR, міра 12м

Швелер 40П 09Г2С, міра 12м
