44330000-2 Будівельні прути, стрижні, дроти та профілі
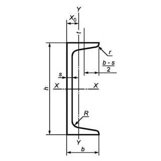
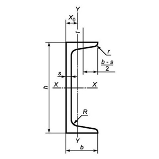
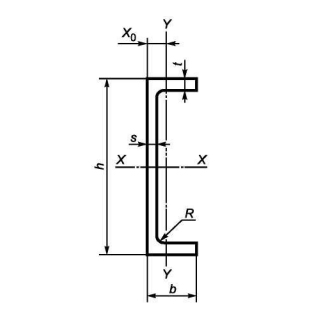
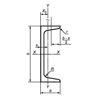
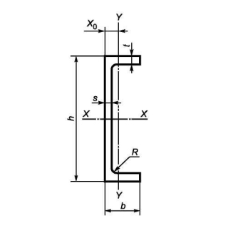
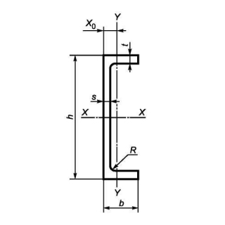
Назва категорії: Швелер, одиниця виміру тоннаВідноситься до відбору: Будівельні прути, стрижні, дроти та профілі
Опис категорії: Швелер, одиниця виміру тонна
Одиниці виміру: тонна
Технічні характеристики
Категорія нормованих показників
Група якості оброблення поверхні
Покриття
Відповідність вимогам стандарту
Вид
Марка сталі
Довжина
Група/клас міцності
Знайдено: 1666

Швелер UPN 400 S235J2+N, міра 6м

Швелер UPN 350 S235J2, міра 12м

Швелер UPN 100 S355J2, міра 6м

Швелер UPN 100 S235J2, міра 6м

Швелер UPN 260 S235, міра 6м

Швелер UPE 180 S355J2, міра 12м

Швелер 30У 3ПС/СП, міра 12м

Швелер UPE 270 S355, міра 6м

Швелер UPE 220 S355J2+M, міра 12м

Швелер UPE 100 S355J2+M, міра 12м

Швелер UPE 200 S235, міра 6м
