44330000-2 Будівельні прути, стрижні, дроти та профілі
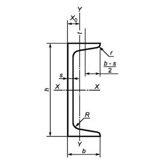
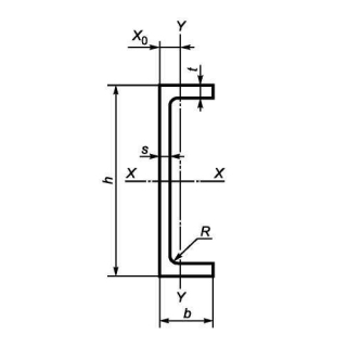
Назва категорії: Швелер, одиниця виміру тоннаВідноситься до відбору: Будівельні прути, стрижні, дроти та профілі
Опис категорії: Швелер, одиниця виміру тонна
Одиниці виміру: тонна
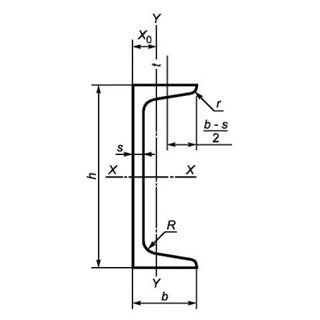
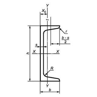
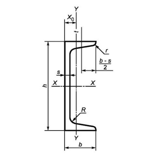
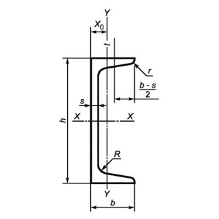
Технічні характеристики
Категорія нормованих показників
Група якості оброблення поверхні
Покриття
Відповідність вимогам стандарту
Вид
Марка сталі
Довжина
Група/клас міцності
Знайдено: 1666

Швелер UPN 140 S355j2, міра 6м

Швелер UPN 300 S235J2+M, міра 12м

Швелер 30У 3ПС/СП, міра 6м

Швелер UPN 260 S355JR, міра 6м

Швелер UPN 140 S275J0, міра 12м

Швелер гнутий 200х80х5 09Г2С, міра 6м

Швелер UPN 220 S355J0, міра 12м

Швелер UPE 400 S355JR, міра 12м

Швелер 16У сталь 345 09Г2С 14 міра 12м

Швелер UPN 120 S355J2+M, міра 12м

Швелер 24П сталь 345 09Г2С 14 міра 12м
