44330000-2 Будівельні прути, стрижні, дроти та профілі
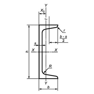
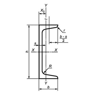
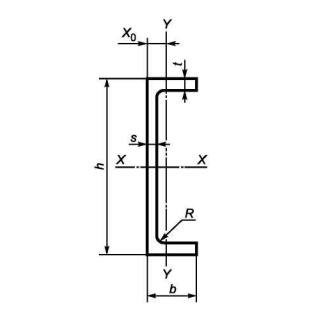
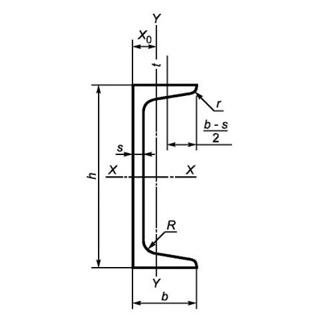
Назва категорії: Швелер, одиниця виміру тоннаВідноситься до відбору: Будівельні прути, стрижні, дроти та профілі
Опис категорії: Швелер, одиниця виміру тонна
Одиниці виміру: тонна
Технічні характеристики
Категорія нормованих показників
Група якості оброблення поверхні
Покриття
Відповідність вимогам стандарту
Вид
Марка сталі
Довжина
Група/клас міцності
Знайдено: 1666

Швелер гнутий 80х50х4 3ПС/СП, міра 6м

Швелер UPN 140 S235J2, міра 6м

Швелер гнутий 160х80х5 3ПС/СП, міра 6м

Швелер UPE 240 S355JR, міра 12м

Швелер UPN 80 S355J2+M, міра 12м

Швелер UPN 350 S355JR, міра 12м

Швелер UPE 400 S355, міра 6м

Швелер UPN 400 S275J0, міра 6м

Швелер UPE 120 S275J2+M, міра 6м

Швелер гнутий 80х40х2,5 09Г2С, міра 6м

Швелер 30П сталь 345 09Г2С 14 міра 12м
