44330000-2 Будівельні прути, стрижні, дроти та профілі
Назва категорії: Швелер, одиниця виміру тоннаВідноситься до відбору: Будівельні прути, стрижні, дроти та профілі
Опис категорії: Швелер, одиниця виміру тонна
Одиниці виміру: тонна
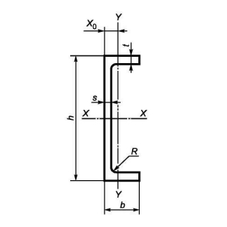
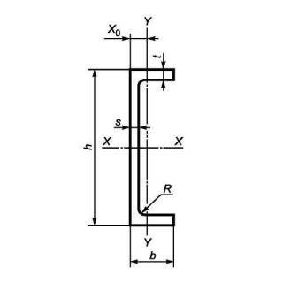
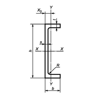
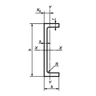
Технічні характеристики
Категорія нормованих показників
Група якості оброблення поверхні
Покриття
Відповідність вимогам стандарту
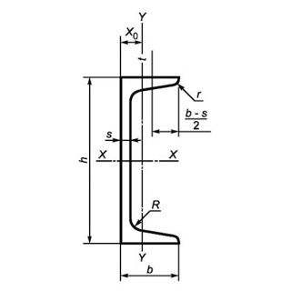
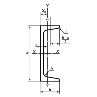
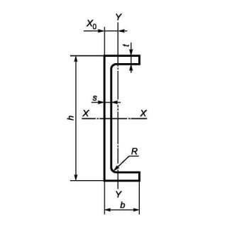
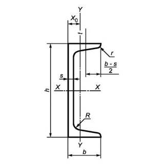
Вид
Марка сталі
Довжина
Група/клас міцності
Знайдено: 1666

Швелер UPN 380 S235JR, міра 12м

Швелер UPN 380 S355J2, міра 6м

Швелер UPE 360 S235, міра 6м

Швелер UPN 320 S275J2+M, міра 12м

Швелер UPE 100 S275, міра 12м

Швелер UPE 300 S275J2+M, міра 6м

Швелер UPE 240 S355J2+AR, міра 6м

Швелер 36У 09Г2С, міра 12м

Швелер UPE 100 S275J2+N, міра 12м

Швелер UPE 100 S235J0, міра 12м

Швелер UPE 270 S355J2+M, міра 6м
