44330000-2 Будівельні прути, стрижні, дроти та профілі
Назва категорії: Швелер, одиниця виміру тоннаВідноситься до відбору: Будівельні прути, стрижні, дроти та профілі
Опис категорії: Швелер, одиниця виміру тонна
Одиниці виміру: тонна
Технічні характеристики
Категорія нормованих показників
Група якості оброблення поверхні
Покриття
Відповідність вимогам стандарту
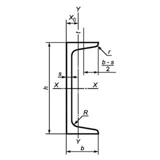
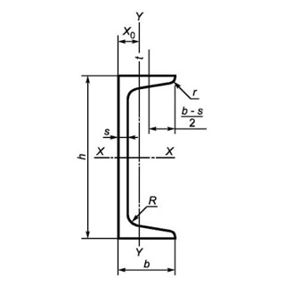
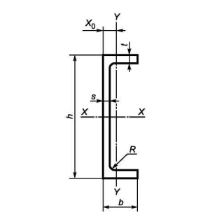
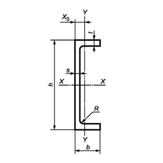
Вид
Марка сталі
Довжина
Група/клас міцності
Знайдено: 1666

Швелер UPN 240 S235J2, міра 6м

Швелер UPN 100 S235J2+AR, міра 12м

Швелер UPE 220 S275J2+N, міра 12м

Швелер UPN 320 S275J2, міра 6м

Швелер UPE 120 S235J2+N, міра 6м

Швелер UPN 140 S275, міра 12м

Швелер гнутий 80х40х2,5 08КП/ПС, міра 6м

Швелер UPN 300 S275J2+AR, міра 12м

Швелер UPN 200 S235, міра 12м

Швелер UPE 400 S355JR, міра 6м

Швелер UPE 220 S235J2+N, міра 12м
