44330000-2 Будівельні прути, стрижні, дроти та профілі
Назва категорії: Швелер, одиниця виміру тоннаВідноситься до відбору: Будівельні прути, стрижні, дроти та профілі
Опис категорії: Швелер, одиниця виміру тонна
Одиниці виміру: тонна
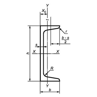
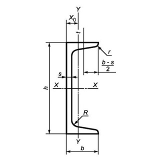
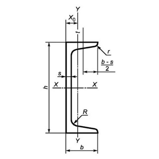
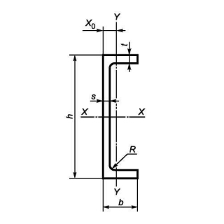
Технічні характеристики
Категорія нормованих показників
Група якості оброблення поверхні
Покриття
Відповідність вимогам стандарту
Вид
Марка сталі
Довжина
Група/клас міцності
Знайдено: 1666

Швелер UPN 400 S235J2+AR, міра 12м

Швелер 27У 3ПС/СП, міра 12м

Швелер гнутий 140х60х6 3ПС/СП, міра 6м

Швелер UPN 180 S355JR, міра 6м

Швелер UPE 160 S355j2, міра 12м

Швелер UPE 180 S235J2+AR, міра 6м

Швелер UPN 400 S355j2, міра 6м

Швелер 5П 3ПС/СП, міра 12м

Швелер 20У 3ПС/СП, міра 6м

Швелер UPN 260 S355J0, міра 12м

Швелер UPN 80 S355j2, міра 6м
