44330000-2 Будівельні прути, стрижні, дроти та профілі
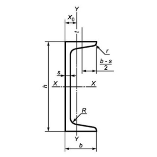
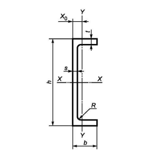
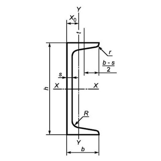
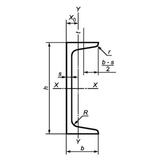
Назва категорії: Швелер, одиниця виміру тоннаВідноситься до відбору: Будівельні прути, стрижні, дроти та профілі
Опис категорії: Швелер, одиниця виміру тонна
Одиниці виміру: тонна
Технічні характеристики
Категорія нормованих показників
Група якості оброблення поверхні
Покриття
Відповідність вимогам стандарту
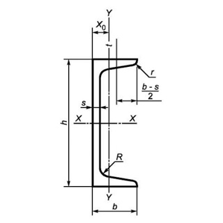
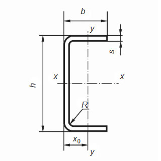
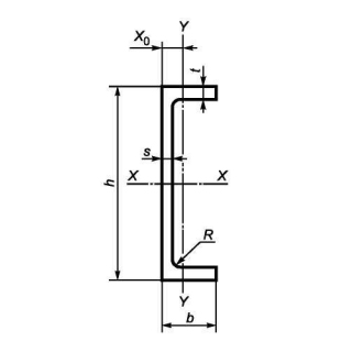
Вид
Марка сталі
Довжина
Група/клас міцності
Знайдено: 1666

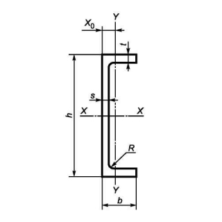
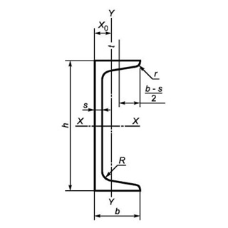
Швелер UPN 120 S235J2+M, міра 12м

Швелер гнутий 80х40х2,5 3ПС/СП, міра 6м

Швелер гнутий 80х60х4 09Г2С, міра 6м

Швелер UPN 240 S235J2+N, міра 12м

Швелер UPE 180 S235J0, міра 12м

Швелер UPN 160 S275JR, міра 6м

Швелер UPE 240 S355J0, міра 6м

Швелер UPN 380 S235J2+M, міра 6м

Швелер UPN 50 S355, міра 12м

Швелер UPE 180 S275JR, міра 12м

Швелер UPN 50 S355J0, міра 6м
