44330000-2 Будівельні прути, стрижні, дроти та профілі
Назва категорії: Швелер, одиниця виміру тоннаВідноситься до відбору: Будівельні прути, стрижні, дроти та профілі
Опис категорії: Швелер, одиниця виміру тонна
Одиниці виміру: тонна
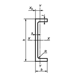
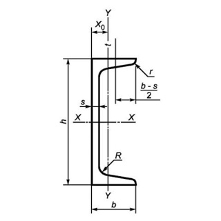
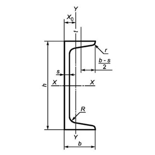
Технічні характеристики
Категорія нормованих показників
Група якості оброблення поверхні
Покриття
Відповідність вимогам стандарту
Вид
Марка сталі
Довжина
Група/клас міцності
Знайдено: 1666

Швелер UPE 240 S275J2+N, міра 12м

Швелер UPN 380 S355JR, міра 6м

Швелер UPN 400 S355J2+AR, міра 6м

Швелер UPN 400 S275J2+AR, міра 12м

Швелер UPE 300 S235JR, міра 6м

Швелер UPE 160 S355J0, міра 6м

Швелер UPN 180 S235, міра 6м

Швелер UPN 400 S235JR, міра 12м

Швелер UPE 120 S235J2+M, міра 12м

Швелер 10П сталь 3ПС/СП, міра 12м

Швелер UPN 400 S275J2, міра 6м
