44330000-2 Будівельні прути, стрижні, дроти та профілі
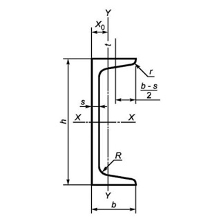
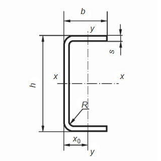
Назва категорії: Швелер, одиниця виміру тоннаВідноситься до відбору: Будівельні прути, стрижні, дроти та профілі
Опис категорії: Швелер, одиниця виміру тонна
Одиниці виміру: тонна
Технічні характеристики
Категорія нормованих показників
Група якості оброблення поверхні
Покриття
Відповідність вимогам стандарту
Вид
Марка сталі
Довжина
Група/клас міцності
Знайдено: 1666

Швелер UPN 350 S275J0, міра 6м

Швелер UPE 270 S235, міра 12м

Швелер 5У 09Г2С, міра 12м

Швелер UPE 330 S275J2, міра 6м

Швелер UPE 400 S355J2, міра 12м

Швелер UPN 50 S235J2+M, міра 12м

Швелер UPN 200 S275J2, міра 12м

Швелер гнутий 80х60х3 3ПС/СП, міра 6м

Швелер UPN 220 S355JR, міра 6м

Швелер UPN 260 S275J2+M, міра 6м

Швелер UPE 400 S275J2+N, міра 12м
