44330000-2 Будівельні прути, стрижні, дроти та профілі
Назва категорії: Швелер, одиниця виміру тоннаВідноситься до відбору: Будівельні прути, стрижні, дроти та профілі
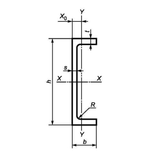
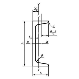
Опис категорії: Швелер, одиниця виміру тонна
Одиниці виміру: тонна
Технічні характеристики
Категорія нормованих показників
Група якості оброблення поверхні
Покриття
Відповідність вимогам стандарту
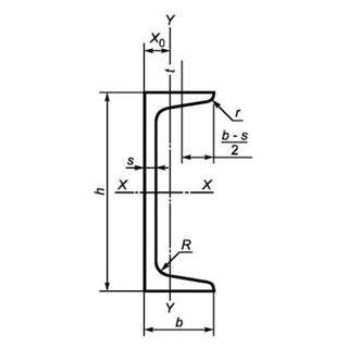
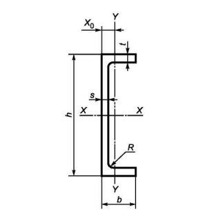
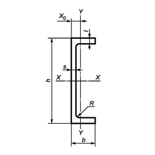
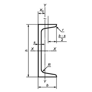
Вид
Марка сталі
Довжина
Група/клас міцності
Знайдено: 1666

Швелер 6.5П 09Г2С, міра 12м

Швелер UPN 220 S235J2+AR, міра 6м

Швелер UPE 80 S235J2+N, міра 12м

Швелер UPN 140 S235J0, міра 12м

Швелер UPN 80 S235J2, міра 12м

Швелер UPE 330 S355j2, міра 12м

Швелер UPN 160 S235J2, міра 12м

Швелер UPE 80 S355J2, міра 12м

Швелер UPE 220 S275J2, міра 6м

Швелер UPN 350 S275J2+AR, міра 12м

Швелер UPE 80 S355J2+N, міра 6м
